Datasheet
Table Of Contents
- NATURAL INTERLEAVING FEATURES
- SYSTEM FEATURES
- APPLICATIONS
- CONTENTS
- DESCRIPTION
- ABSOLUTE MAXIMUM RATINGS
- DISSIPATION RATINGS
- RECOMMENDED OPERATING CONDITIONS
- ELECTROSTATIC DISCHARGE (ESD) PROTECTION
- ELECTRICAL CHARACTERISTICS
- DEVICE INFORMATION
- TYPICAL CHARACTERISTICS
- APPLICATION INFORMATION
- Theory of Operation
- On-Time Control, Maximum Frequency Limiting, and Restart Timer
- Natural Interleaving
- Phase Management
- Zero Crossing Detection and Valley Switching
- Brownout Protection
- Failsafe OVP—Output Over-Voltage Protection
- Over-Current Protection
- Phase Fail Protection
- Distortion Reduction
- Improved Error Amplifier
- Open-Loop Protection
- Soft-Start
- Light-Load Operation
- Command for the Downstream Converter
- VCC Undervoltage Protection
- VCC
- DESIGN EXAMPLE
- ADDITIONAL REFERENCES

UCC28060
1
NATURAL INTERLEAVING FEATURES SYSTEM FEATURES
APPLICATIONS
+–
COMP
VREF
PGND
AGND
VCC
ZCDA
ZCDB
GDA
CS
GDB
VINAC
VSENSE
PWMCNTL
UCC28061
TSET
PHB
HVSEN
EMI
Filter
400VDC
PowerGoodto
downstreamconverter
85-265VAC
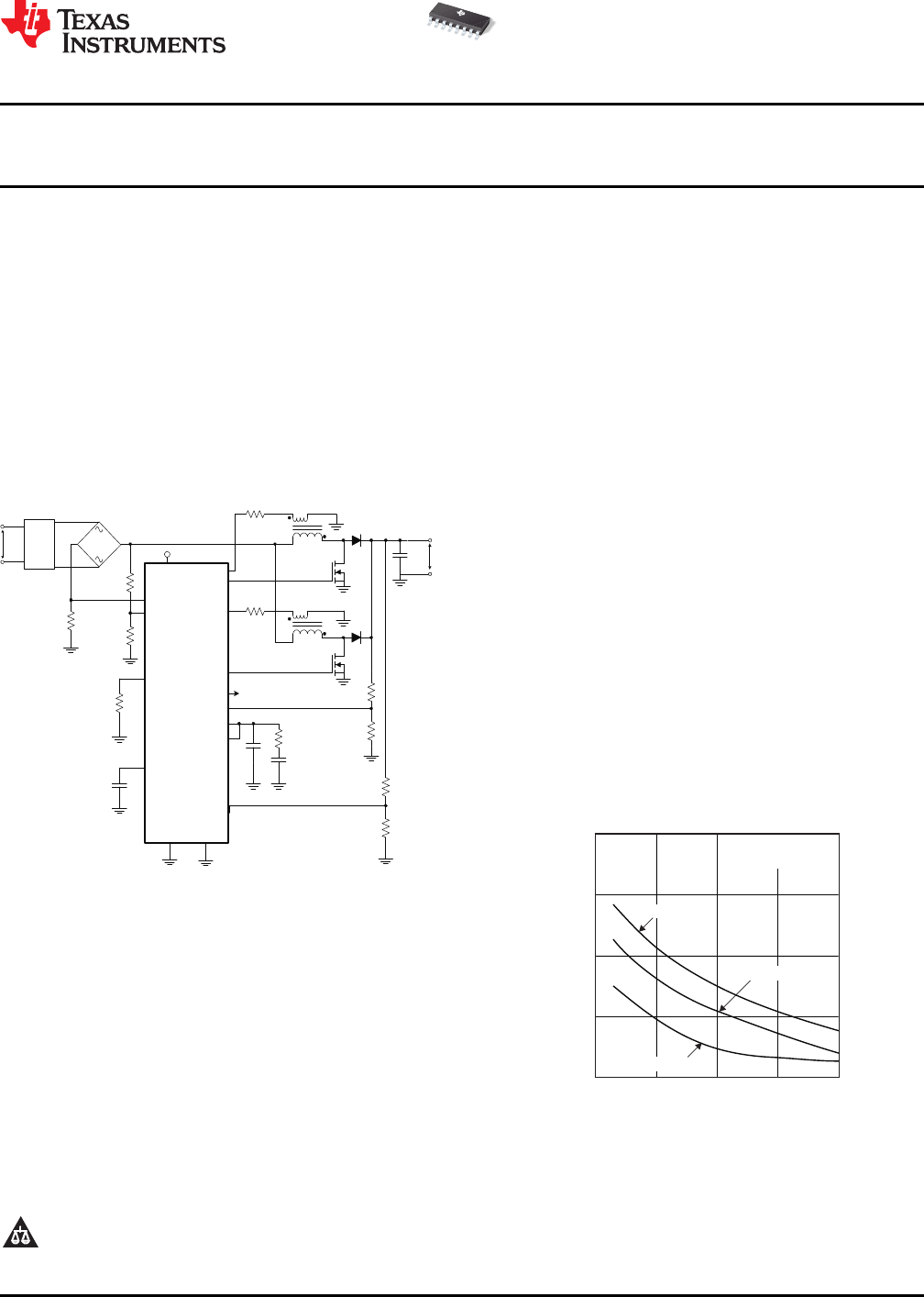
InputVoltage(V)
5
4
3
2
1
70 120 170 220 270
CapacitorRippleCurrent(A)
P =600W
V =400V
OUT
OUT
1-PhaseTM
2-PhaseTMInterleave
1-PhaseCCM
UCC28061
www.ti.com
.............................................................................................................................................................. SLUS837A – JUNE 2008 – REVISED JULY 2009
Natural Interleaving™ Transition-Mode PFC Controller With Improved Audible Noise
Immunity
• Improved Audible Noise Performance
23
• Phase Management Capability
• Soft Start on Overvoltage
• FailSafe OVP with Dual Paths Prevents Output
• Integrated Brownout
Over-Voltage Conditions Caused by
Voltage-Sensing Failures
• Improved Efficiency and Design Flexibility
over Traditional, Single-Phase Continuous
• Sensorless Current Shaping Simplifies Board
Conduction Mode (CCM)
Layout and Improves Efficiency
• Input Filter and Output Capacitor Current
• Inrush Safe Current Limiting:
Cancellation:
– Prevents MOSFET conduction during
– Reduced current ripple for higher system
inrush
reliability and smaller bulk capacitor
– Eliminates reverse recovery events in
– Reduced EMI filter size
output rectifiers
• Enables Use of Low-Cost Diodes without
Extensive Snubber Circuitry
• Improved Light-Load Efficiency
• Improved Transient Response
• Complete System-Level Protection
• 1-A Source/1.8-A Sink Gate Drivers
• 100-W to 800-W Power Supplies
• Gaming
• D to A Set Top Boxes
• Adapters
• LCD, Plasma and DLP™ TVs
• Home Audio Systems
Typical Application Circuit
Ripple Current Reduction
1
Please be aware that an important notice concerning availability, standard warranty, and use in critical applications of Texas
Instruments semiconductor products and disclaimers thereto appears at the end of this data sheet.
2 DLP is a trademark of Texas Instruments.
3 Natural Interleaving is a trademark of Texas Instuments.
PRODUCTION DATA information is current as of publication date.
Copyright © 2008 – 2009, Texas Instruments Incorporated
Products conform to specifications per the terms of the Texas
Instruments standard warranty. Production processing does not
necessarily include testing of all parameters.










