Datasheet
Table Of Contents
- NATURAL INTERLEAVING FEATURES
- SYSTEM FEATURES
- APPLICATIONS
- CONTENTS
- DESCRIPTION
- ABSOLUTE MAXIMUM RATINGS
- DISSIPATION RATINGS
- RECOMMENDED OPERATING CONDITIONS
- ELECTROSTATIC DISCHARGE (ESD) PROTECTION
- ELECTRICAL CHARACTERISTICS
- DEVICE INFORMATION
- TYPICAL CHARACTERISTICS
- APPLICATION INFORMATION
- Theory of Operation
- On-Time Control, Maximum Frequency Limiting, and Restart Timer
- Natural Interleaving
- Phase Management
- Zero Crossing Detection and Valley Switching
- Brownout Protection
- Failsafe OVP—Output Over-Voltage Protection
- Over-Current Protection
- Phase Fail Protection
- Distortion Reduction
- Improved Error Amplifier
- Open-Loop Protection
- Soft-Start
- Light-Load Operation
- Command for the Downstream Converter
- VCC Undervoltage Protection
- VCC
- DESIGN EXAMPLE
- ADDITIONAL REFERENCES

Improved Error Amplifier
REF
VSENSE
+
-
COMP
4.95V
C
Z
R
Z
C
P
+
+
COMP
VSENSE
Soft Start
6V
5.8V
6.45V
OV
PWM
Shutdown
100mA
g
m
+
R Q
QS
+
0.5V
Brownout
EN
UV
OV
UCC28061
SLUS837A – JUNE 2008 – REVISED JULY 2009 ..............................................................................................................................................................
www.ti.com
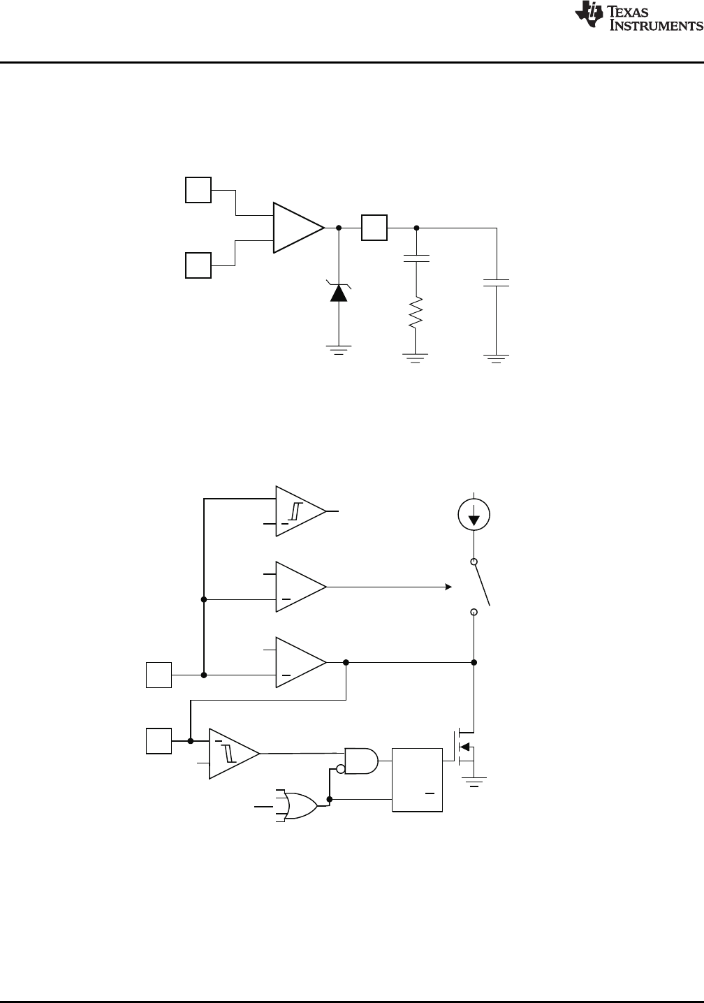
The voltage error amplifier is a transconductance amplifier. Voltage loop compensation is connected from the
error amplifier output, COMP, to analog ground, AGND. The recommended compensation network is shown in
Figure 26 .
Figure 26. Typical Error Amplifier Compensation
To improve the transient response, the error amplifier output current is increased by 100 µ A when the error amp
input is below 5.8 V, as shown in Figure 27 . This increase allows faster charging of the compensation
components following sudden load current increases (also refer to Figure 4 in the Typical Characteristics ).
Figure 27. Error Amplifier Block Diagram Showing Speed-Up and Latched Soft-Start
The UCC28061 asserts soft start when output over-voltage is detected, pulling COMP to ground. This improves
response to a change from heavy load to light load.
20 Submit Documentation Feedback Copyright © 2008 – 2009, Texas Instruments Incorporated
Product Folder Link(s): UCC28061










