Datasheet
Table Of Contents
- NATURAL INTERLEAVING FEATURES
- SYSTEM FEATURES
- APPLICATIONS
- CONTENTS
- DESCRIPTION
- ABSOLUTE MAXIMUM RATINGS
- DISSIPATION RATINGS
- RECOMMENDED OPERATING CONDITIONS
- ELECTROSTATIC DISCHARGE (ESD) PROTECTION
- ELECTRICAL CHARACTERISTICS
- DEVICE INFORMATION
- TYPICAL CHARACTERISTICS
- APPLICATION INFORMATION
- Theory of Operation
- On-Time Control, Maximum Frequency Limiting, and Restart Timer
- Natural Interleaving
- Phase Management
- Zero Crossing Detection and Valley Switching
- Brownout Protection
- Failsafe OVP—Output Over-Voltage Protection
- Over-Current Protection
- Phase Fail Protection
- Distortion Reduction
- Improved Error Amplifier
- Open-Loop Protection
- Soft-Start
- Light-Load Operation
- Command for the Downstream Converter
- VCC Undervoltage Protection
- VCC
- DESIGN EXAMPLE
- ADDITIONAL REFERENCES

DESIGN EXAMPLE
+–
COMP
VREF
PGNDAGND
VCC ZCDA
ZCDB
GDA
CS
GDB
VINAC
VSENSE
PWMCNTL
UCC28061
TSET
PHB
HVSEN
R
100 W
C
IN
10nF
R
Z
C
Z
R
S
C
P
R
T
16V
2.2 mF
Q1
Q2
D1
D2
R
ZA
R
ZB
L1
L2
R
G1
R
G2
C
OUT
R
D
R
C
R
LOAD
16V
R
E
R
F
R
A
R
B
50kW
PWMCNTL
20kW
20kW
5 W
5 W
C
B
C
A
F1
D3
2.2 mF
C
F3
C
F2
R
P
Bridge
V
OUT
C
F4
22pF
C
F5
22pF
Design Goals
UCC28061
SLUS837A – JUNE 2008 – REVISED JULY 2009 ..............................................................................................................................................................
www.ti.com
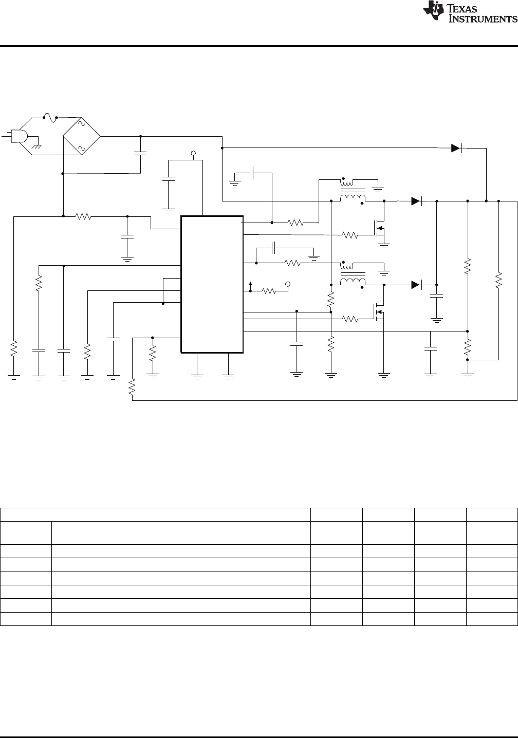
An example of the UCC28061 PFC controller in a two-phase transition mode interleaved PFC pre-regulator is
shown in Figure 28 .
Figure 28. Typical Transition Mode Interleaved PFC Pre-Regulator
The specifications for this design were chosen based on the power requirements of a 300-W LCD TV. These
specifications are shown in Table 2 .
Table 2. Design Specifications
PARAMETER MIN TYP MAX UNIT
265
V
IN
RMS input voltage 85 (V
IN_MIN
) V
RMS
(V
IN_MAX
)
V
OUT
Output voltage 390 V
f
LINE
Line frequency 47 63 Hz
PF Power factor at maximum load 0.90
P
OUT
300 W
η Full load efficiency 0.92
f
MIN
Minimum switching frequency 45 kHz
22 Submit Documentation Feedback Copyright © 2008 – 2009, Texas Instruments Incorporated
Product Folder Link(s): UCC28061










