Datasheet
Table Of Contents
- NATURAL INTERLEAVING FEATURES
- SYSTEM FEATURES
- APPLICATIONS
- CONTENTS
- DESCRIPTION
- ABSOLUTE MAXIMUM RATINGS
- DISSIPATION RATINGS
- RECOMMENDED OPERATING CONDITIONS
- ELECTROSTATIC DISCHARGE (ESD) PROTECTION
- ELECTRICAL CHARACTERISTICS
- DEVICE INFORMATION
- TYPICAL CHARACTERISTICS
- APPLICATION INFORMATION
- Theory of Operation
- On-Time Control, Maximum Frequency Limiting, and Restart Timer
- Natural Interleaving
- Phase Management
- Zero Crossing Detection and Valley Switching
- Brownout Protection
- Failsafe OVP—Output Over-Voltage Protection
- Over-Current Protection
- Phase Fail Protection
- Distortion Reduction
- Improved Error Amplifier
- Open-Loop Protection
- Soft-Start
- Light-Load Operation
- Command for the Downstream Converter
- VCC Undervoltage Protection
- VCC
- DESIGN EXAMPLE
- ADDITIONAL REFERENCES

7VINAC
+
1.4V
Brownout
440ms Delay
7mA
Crossover
Notch
Reduction
Phase A
On Time Control
3
1.68V/1V
ZCDA
+
1.68V/1V
ZCDB
+
16
1
Phase B
On Time Control
2VSENSE
+
VREF
g
m
6V
15
EN
+
6.45V
OV
+
4.95V
300nA
TSET
STOPA
STOPB
5
COMP
222mV
Brownout
EN
UV
+
12
VCC
GDA
13
PGND
UV
12.6V
10.35V
24V
11
GDB
14
+
13.5V
PGND
Interleave
Control
4.87V
9
PWMCNTL
36mA
8 HVSEN
Phase
OK
2.5V
+
+
HVSEN OV
10
CS
Overcurrent
+
OV
OC
TSD
STOPA
HVSENOV
Burst Operation
STOPB
SinglePhase
-0.2V/-0.015V
OC
+
0.8V
Single
Phase
4
PHB
6
AGND
Thermal
ShutDown
+
160C
T
J
TSD
ZCA
ZCB
Phase Fail
Detector
1.25V
13.5V
OV
EN
UV
96ms
UCC28061
www.ti.com
.............................................................................................................................................................. SLUS837A – JUNE 2008 – REVISED JULY 2009
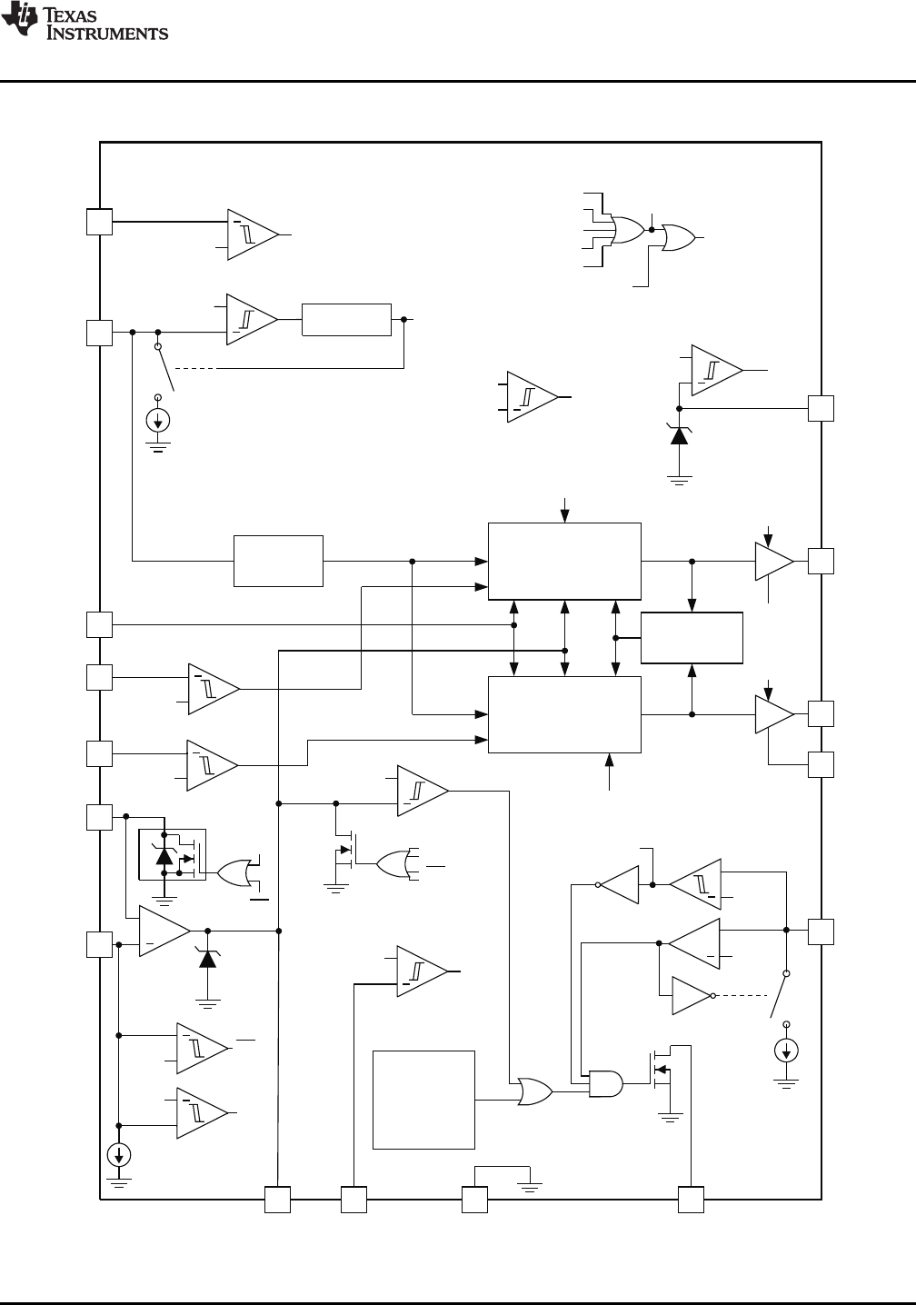
BLOCK DIAGRAM
Copyright © 2008 – 2009, Texas Instruments Incorporated Submit Documentation Feedback 9
Product Folder Link(s): UCC28061










