Datasheet
Manuals
Brands
TEXAS INSTRUMENTS Manuals
PMICs
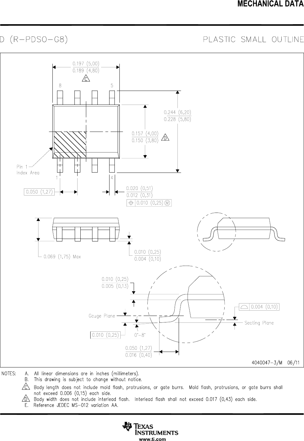
PMIC - AC/DC converter, offline switcher Forward Frequency control SOIC 8
21
22
23
24
25
26
27
28
29
30
1
...
...
28
29
30
31
32