Datasheet

SLUS247F − APRIL 1997 − REVISED NOVEMBER 2007
1
www.ti.com
FEATURES
D
Fully Programmable Reset Threshold
D Fully Programmable Reset Period
D Fully Programmable Watchdog Period
D 2% Accurate Reset Threshold
D Input Voltage Down to 2 V
D Input 18-µA Maximum Input Current
D Reset Valid Down to 1 V
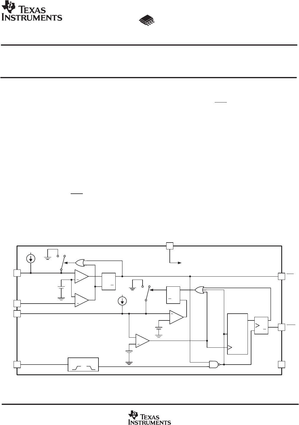
DESCRIPTION
The UCCx946 is designed to provide accurate
microprocessor supervision, including reset and
watchdog functions. During power up, the device
asserts a reset signal RES
with VDD as low as 1 V.
The reset signal remains asserted until the VDD
voltage rises and remains above the reset
threshold for the reset period. Both reset threshold
and reset period are programmable by the user.
The UCCx946 is also resistant to glitches on the
VDD line. Once RES
has been deasserted, any
drops below the threshold voltage need to be of
certain time duration and voltage magnitude to
generate a reset signal. These values are shown
in Figure 1. An I/O line of the microprocessor may
be tied to the watchdog input (WDI) for watchdog
functions. If the I/O line is not toggled within a set
watchdog period, programmable by the user,
WDO is asserted. The watchdog function is
disabled during reset conditions.
The UCCx946 is available in 8-pin SOIC(D), 8-pin
PDIP (N) and 8-pin TSSOP(PW) packages to
optimize board space.
UDG−0219
2
6
7
WDI
WP
8
VDD
3
5
POWER TO
CIRCUITRY
A3
A2
A1
A0
CLK
CLR
8−BIT
COUNTER
400 nA
WDO
GND
EDGE DETECT
WATCHDOG
TIMING
100 mV
1.235 V
2
RTH
4
RP
400 nA
POWER ON RESET
RES
+
+
S Q
QR
SQ
QR
SQ
QR
1
1.235 V
+
+
+
+
+
!"# $"%&! '#(
'"! ! $#!! $# )# # #* "#
'' +,( '"! $!#- '# #!#&, !&"'#
#- && $##(
Copyright 2007, Texas Instruments Incorporated










