Datasheet

7 VFC32
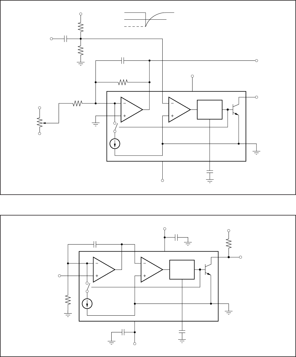
FIGURE 4. Frequency-to-Voltage Converter Circuit.
FIGURE 5. V/F Converter—Negative Input Voltage.
One-Shot
13
10
7
11
C
2
2nF
1
14
5
C
1
650pF
VFC32
+5V
12
+15V
f
OUT
0 to 50kHz
0.1µF
4
–15V
0.1µF
V
IN
R
1
40kΩ
Pinout shown is
for DIP or SOIC
package.
Nonlinearity may be higher than
specified due to common-mode
voltage on op amp input.
0V to –10V
f
IN
One-Shot
13
10
12
+15V
7
11
NC
C
2
0.1µF
1
14
4
–15V
5
C
1
3.3nF
VFC32
+15V
–15V
V
O
0 to 10V
+15V
12kΩ
2.2kΩ
500pF
0 to 10kHz
5V Logic
Input
100kΩ
10MΩ
R
1
40kΩ
2.5V
0V
–2.5V
0V










