product image) Manual
Instruction Manual αlpha CON 2000
19
6 SETUP MODE
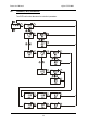
6.1 Enter Setup mode
In the Setup mode the transmitter can be configured to your individual requirements.
SETUP
SETUP
SETUP
SETUP
SETUP
SETUP
SETUP
SETUP
SETUP
SETUP
HOLD
HOLD
HOLD
HOLD
HOLD
HOLD
HOLD
HOLD
HOLD
HOLD
4
4
4
4
4
4
4
4
4
4
Temperature settings
See section 6.3
Relay A (set point 1) settings
See section 6.4
Relay B (set point 2) settings
See section 6.4
Controller settings
See section 6.5
Current output 1 settings
See section 6.6
Current output 2 settings
See section 6.7
Wash contact settings
See section 6.8
Unit settings
See section 6.10
Calibration
See section 5
SETUP
HOLD
4
Range settings
See section 6.9
ENT
ENT
ENT
ENT
ENT
ENT
ENT
ENT
ENT
ENT
ENT
MEAS
µS
4
4
°C
ENT
ENT
Note: to exit Setup mode at any time press the ▲ and ▼ key simultaneously
(escape). The transmitter returns to the Measurement mode.
1. While in Measurement mode
press the ENT key.
2. The display prompts you to enter
the security code. Set the
security code with ▲ or ▼ key
to:
− “SCD 22” if you want
to change
parameter
settings
− “SCD 000” if you
want to view only
parameter settings
(view only mode)
3. Press the ENT key.










