Home Security System User Manual

11
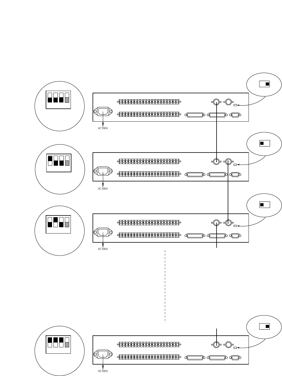
Unit Number Setting switch (3)
Unit Number Setting switch (3)
Unit Number Setting switch (3)
Unit Number Setting switch (3)
C-AL80 Alarm Input Unit
Master Unit
Slave Unit 1
Slave Unit 2
Slave Unit 7
1234
Unit No.
OFF
ON
1234
Unit No.
OFF
ON
1234
Unit No.
OFF
ON
1234
Unit No.
OFF
ON
OFF
RS-485 Termination switch (11)
ON
Termination
OFF
RS-485 Termination switch (11)
ON
Termination
OFF
RS-485 Termination switch (11)
ON
Termination
OFF
RS-485 Termination switch (11)
ON
Termination
To Slave Unit 3
From Slave Unit 6
7.2. Master/Slave Connection Example
For details about unit number settings, etc., refer to p. 19; Master/Slave Connections.
Note
Set the RS-485 Termination switch of only the master unit and the last slave unit to ON.










