Remote Controller Operating Instructions

47
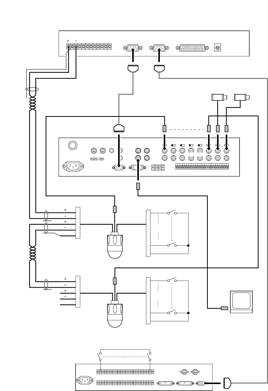
Smart switcher
Monitor TV
Fixed camera
C-RM500
Alarm input unit
C-AL80
ALARM/REMOTE IN
RS-232C
Sensor
Sensor
1
4
6
9
5, 10
Sensor
1
4
6
9
5, 10
1 2 3 4 5 6 7 8
A
B
A
B
Combination camera
Combination camera
1
2
3
4
5
1
2
3
4
5
Camera control
cable
Alarm input
cable
Camera control
cable
Alarm input
cable
Shielded twisted-pair cable
GND
Camera control terminal
Alarm input terminalSwitcher control terminal
RS-232C RS-232C
RS-232C reverse cable
Female D-sub 9-pin connector to Female D-sub 9-pin connector
RS-232C reverse cable
Female D-sub 9-pin connector to
Female D-sub 9-pin connector
RS-232C
MONITOR
(SP/SQ)
VIDEO
OUT
IN
VIDEO
The use of each camera's alarm input permits
connection of 8 sensors for each camera.