Operator's Manual
Manuals
Brands
Toro Manuals
Riding Products
Reelmaster 5500-D 2 Wheel Drive
41
42
43
44
45
46
47
48
49
50
48
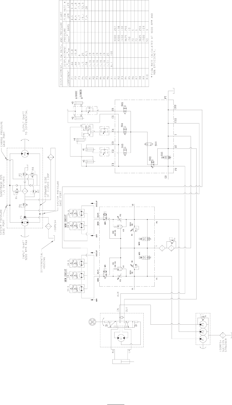
Hydraulisch schema
1
...
...
46
47
48
49
50
...
...
56