Installation Instructions

FormNo.3388-104RevA
Kitdenitionpourtransmissionintégrale
CrossTrax
®
GroupededéplacementReelmaster
®
série5010-Hàpartirde2015
N°demodèle03656
Instructionsdemontage
Cesinstructionsd'installationdoiventêtreutiliséesenassociationaveclesinstructionsd'installationfourniesaveclekitde
transmissionintégraleCrossTrax.
LorsdumontagedukittransmissionintégraleCrossTraxsurungroupededéplacementsérie5010-Hmodèle03674,remplacez
lestubesetleexiblesuivantsparlespiècessimilairesfourniesdanscekit.
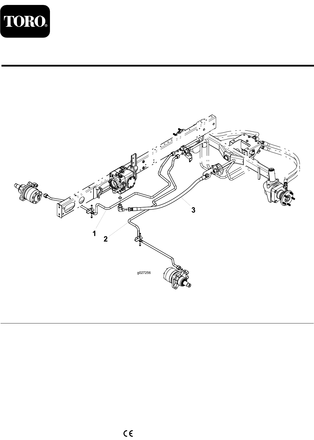
1
2
3
g027256
Figure1
1.Letube127–2566remplaceletube108–7622
3.Leexible125–1526remplaceleexible108–7645
2.Letube125–1492remplaceletube108–7623
©2014—TheToro®Company
8111LyndaleAvenueSouth
Bloomington,MN55420
Enregistrezvotreproduitàwww.T oro.com.
Traductiondutexted'origine(FR)
ImpriméauxÉtats-Unis.
Tousdroitsréservés
*3388-104*A