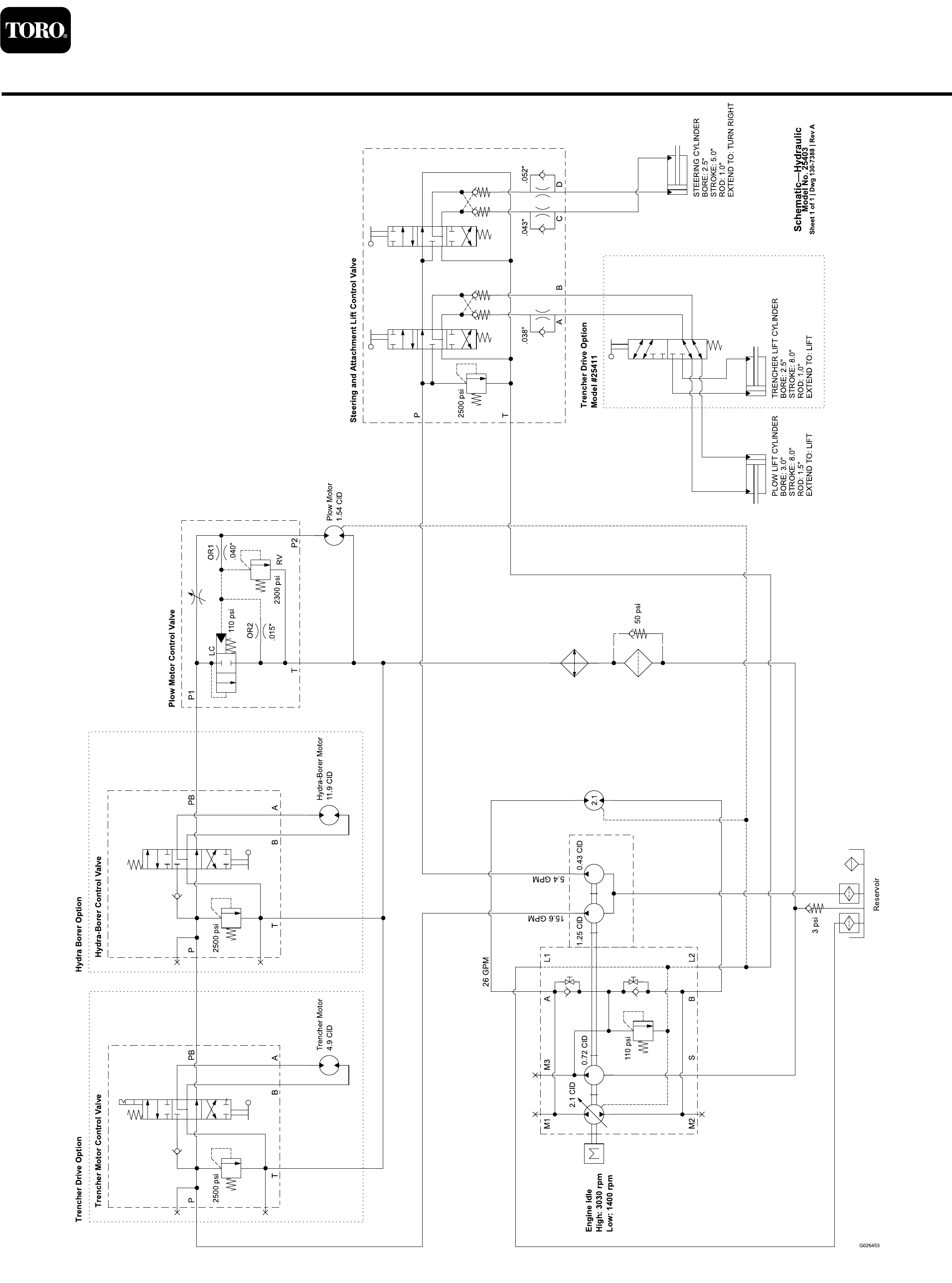
Schematic Drawing

FormNo.3386-758RevA
ProSneak365VibratoryPlow
ModelNo.25403—SerialNo.314000001andUp
ModelNo.25403A—SerialNo.314000001andUp
ModelNo.25403C—SerialNo.314000001andUp
HydraulicSchematic
©2014—TheToro®Company,8111LyndaleAvenueSouth,Bloomington,MN55420
FormNo.3386-758RevA