Operator's Manual

Motorunderhåll
Servaluftrenaren
Tautskumplast-ochpappersinsat-
serna
1.Kopplaurkraftuttagetochdraåtparkeringsbromsen.
2.Stannamotorn,taurnyckelnochväntatills
allarörligadelarharstannatinnandulämnar
förarplatsen.
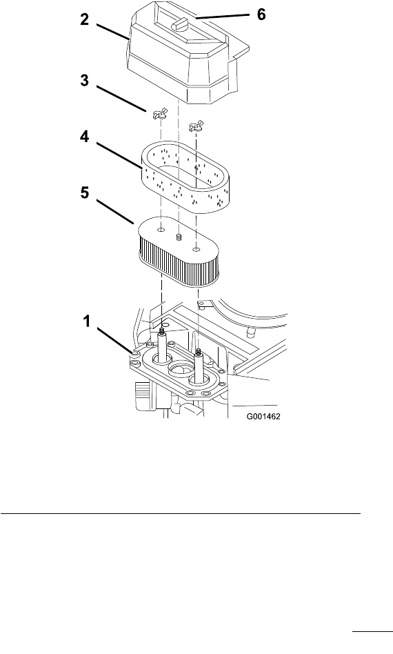
3.Görrentruntluftrenarensåattintesmutsfallerned
imotornochorsakarskador(Figur21).
4.Öppnakåpansvredochtabortluftrenarkåpan
(Figur21).
5.Tabortdetvåvingmuttrarnaochtabort
luftrenarenheten(Figur21).
6.Draförsiktigtbortskumplastinsatsenfrån
pappersinsatsen(Figur21).
Figur21
1.Motor
4.Skumplastinsats
2.Kåpa
5.Pappersinsats
3.Vingmutter
6.Kåpvred
Rengöraluftrenarensskumplastinsats
Serviceintervall:Var25:etimme(Oftareviddammiga
ochsmutsigaförhållanden.)
Viktigt:Oljainteinskumplast-eller
pappersinsatsen.
1.Tvättaskumplastinsatsenmedytandetvåloch
varmtvatten.Sköljordentligtnärdenärren.
2.Torkainsatsengenomattkramadenienrentrasa.
Viktigt:Bytutskumplastinsatsenomdenär
trasigellersliten.
Servaluftrenarenspappersinsats
Serviceintervall:Var50:etimme—Kontrollera
pappersluftltret(Oftarevid
dammigaochsmutsigaförhållanden.)
Var200:etimme—Bytutluftrenarens
pappersinsats(Oftareviddammiga
ochsmutsigaförhållanden.)
1.Rengörintepappersltret.Bytutdeteftervar
200körtimme(Figur21).
2.Inspekteraochletaeftersprickor,oljebeläggning
ellerskadorpågummitätningen.
3.Bytutpappersinsatsenomdenärskadad.
Monteraskumplast-ochpappersinsat-
serna
Viktigt:Köralltidmotornmedbådeskumplast-
ochpappersinsatsernamonteradeförattundvika
motorskador.
1.Skjutförsiktigtpåskumplastinsatsenpåluftrenarens
pappersinsats(Figur21).
2.Placeraluftrenarenpåluftrenarbasenochsättfast
denmedhjälpavdetvåvingmuttrarna(Figur21).
3.Sättfastluftrenarkåpanpårättplatsochdraåt
kåpvredet(Figur21).
Servamotoroljan
Obs:Bytoljaoftarenärarbetsförhållandenaärmycket
dammigaellersandiga.
Oljetyp:Renandeolja(API-serviceSF,SG,SHellerSJ)
Vevhusvolym:1,7litermedltretborttaget;1,5liter
medltret
Viskositet:SetabellenFigur22.
23










