Operation Manual

Schaltbilder
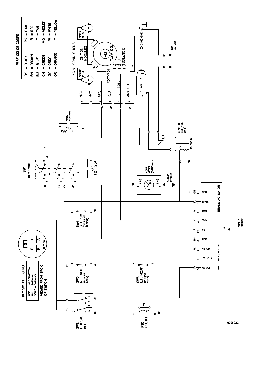
ElektrischesSchaltbild(Rev.A)
52