
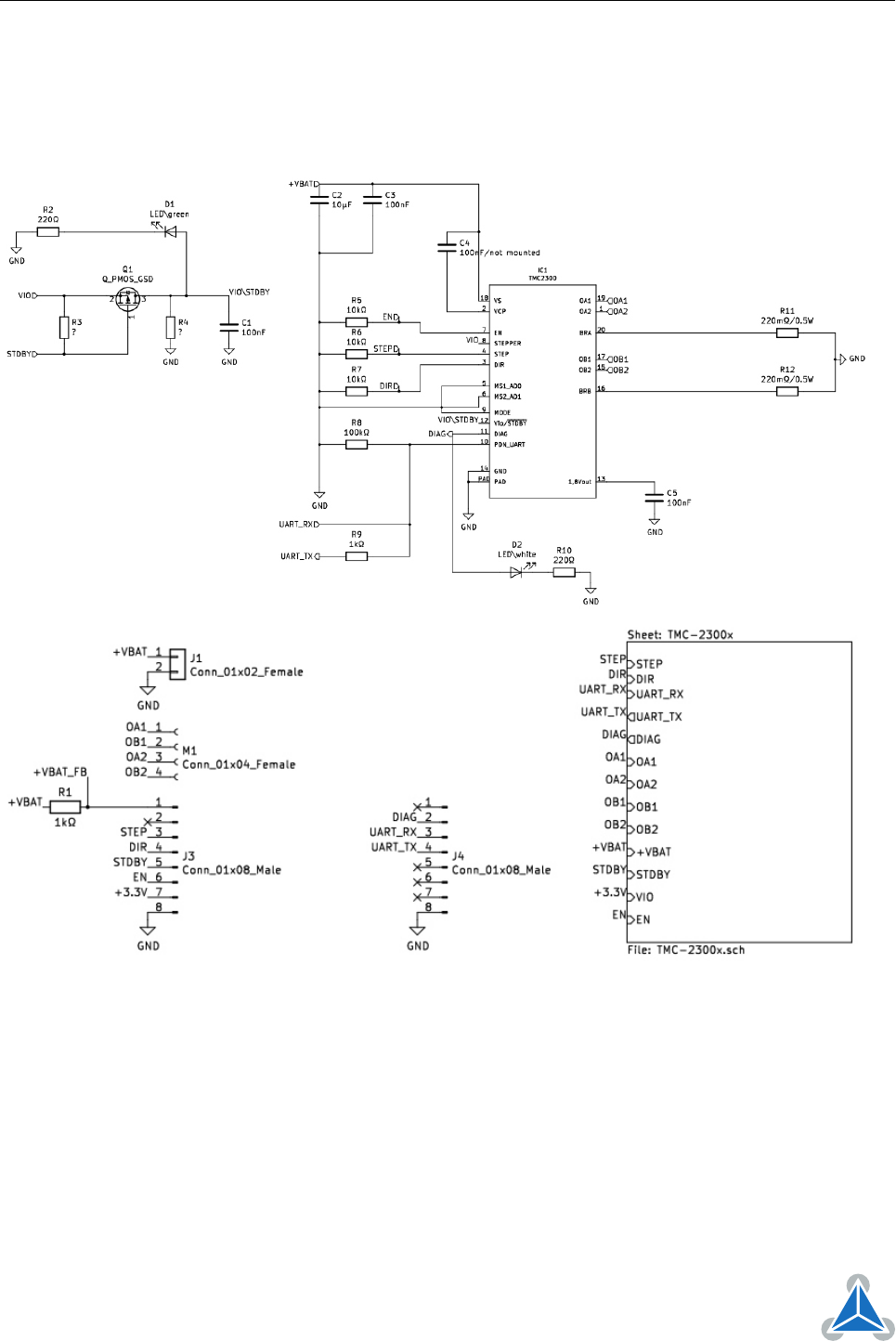
Schematics
TMC2300-THERMO-BOB IC Breakout Boards • Document Revision V1.00 • 2019-Nov-14
2 / 2
©2019 TRINAMIC Motion Control GmbH & Co. KG, Hamburg, Germany
Terms of delivery and rights to technical change reserved.
Download newest version at www.trinamic.com