Datasheet

TMC2590 DATASHEET (V1.0 / 2019-FEB-22) 60
www.trinamic.com
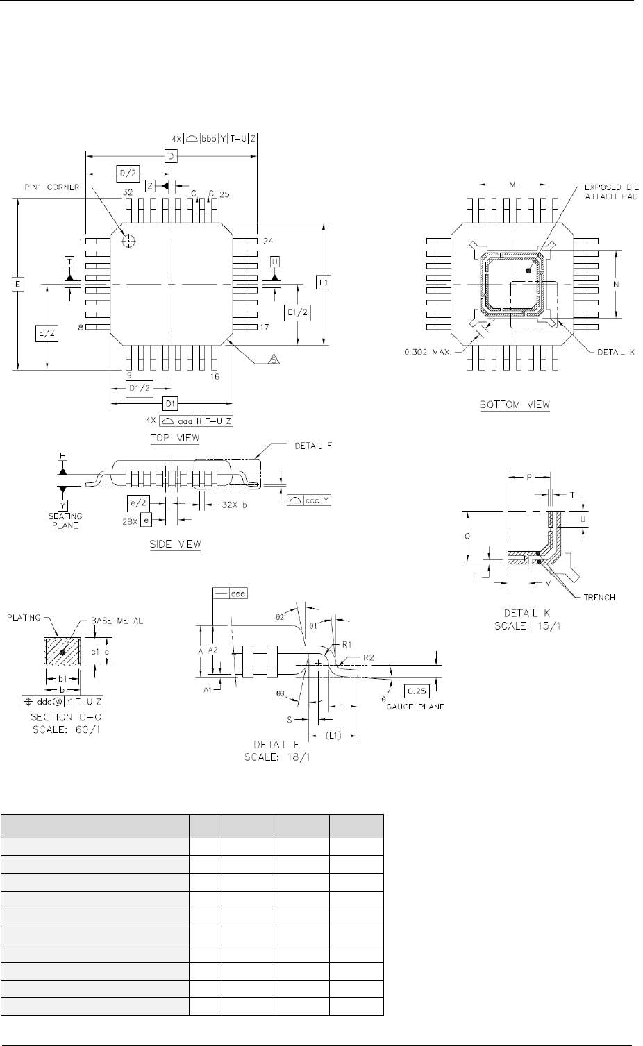
19 Package Mechanical Data
19.1 Dimensional Drawings
Attention: Drawings not to scale.
Parameter
Ref
Min
Nom
Max
Total thickness
A
1.139
Standoff
A1
0.039
0.089
Mold thickness
A2
0.95
1
1.05
Lead width (plating)
b
0.17
0.22
0.27
Lead width
b1
0.17
0.2
0.23
Leadframe thickness (plating)
c
0.09
0.2
Leadframe thickness
c1
0.09
0.16
Size X
D
7.0
Size Y
E
7.0
Body size X
D1
5.0
Figure 19.1 Dimensional drawings










