Datasheet

TMC2590 DATASHEET (V1.0 / 2019-FEB-22) 8
www.trinamic.com
3 Internal Architecture
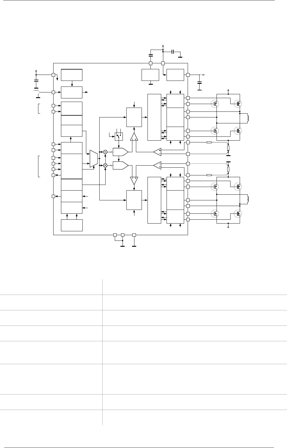
Figure 3.1 shows the internal architecture of the TMC2590.
+V
M
+V
M
VHS
5V linear
regulator
5VOUT
470nF
VS
GND
slope HS
slope LS
SRA
D
ENN
5V supply
TMC2590
OSC
15MHz
CSN
D
SCK
SDI
D
D
SDO
D
R
SENSE
DIE PAD
SPI interface
Chopper
logic
100mOhm for 2.8A peak
(resp. 1.5A RMS)
Provide sufficient filtering capacity near
bridge transistors (electrolyt capacitors
and ceramic capacitors)
S
D
G
S
D
G
P
N
motor coil A
HA2
HA1
BMA1
BMA2
S
D
G
S
D
G
P
N
LA1
LA2
P-Gate
drivers
Short
detectors
N-Gate
drivers
Break
before
make
VHS
+5V
9
DAC
VM-10V
linear
regulator
220n
16V
100n
Protection &
Diagnostics
+V
M
slope HS
slope LS
R
SENSE
Chopper
logic
100mOhm for 2.8A peak
(resp. 1.5A RMS)
S
D
G
S
D
G
P
N
motor coil B
HB2
HB1
BMB1
BMB2
S
D
G
S
D
G
P
N
LB1
LB2
P-Gate
drivers
N-Gate
drivers
Break
before
make
VHS
+5V
9
DAC
ENABLE
ENABLE
Step &
Direction
interface
Step multiply
16 to 256
Sine wave
1024 entry
M
U
X
STEP
D
DIR
D
Temp. sensor
100°C, 120°C,
136°C, 150°C
CoolStep
Energy
efficiency
stallGuard 2
Clock selector
CLK
D
SG_TST
Digital control
D
SHORT TO
GND
BACK
EMF
CLK
8-20MHz
SIN &
COS
Phase polarity
Phase polarity
VCC_IO
D
D
ST_ALONE
3.3V or 5V
+V
CC
100n
9-59V
step & dir
(optional)
SPI /
Stand-alone
configuration
stallGuard
output
TST_MODE
47R
optional input protection resistors
against inductive sparks upon
motor cable break
VSENSE
0.30V
0.16V
V
REF
Short
detectors
Open or GND for
SPI, VCC_IO for
stand-alone
SRBL
SRAL
SRB
47R
Figure 3.1 TMC2590 block diagram and application schematic
Prominent features include:
Oscillator and clock selector
provides the system clock from the on-chip oscillator or an external
source.
Step and direction interface
uses a microstep counter and sine table to generate target currents
for the coils.
SPI interface
receives commands for configuration or commands that directly set
the coil current values.
Multiplexer
selects either the output of the sine table or the SPI interface for
controlling the current into the motor coils.
Multipliers
scales down the currents to both coils when the currents are
greater than those required by the load on the motor or as set by
the CS current scale parameter.
DACs and comparators
converts the digital current values to analog signals that are
compared with the voltages on the sense resistors. Comparator
outputs terminate chopper drive phases when target currents are
reached.
Break-before-make and gate drivers
ensure non-overlapping pulses, boost drive voltage, and control
pulse slope to the gates of the power MOSFETs.
On-chip voltage regulators
provide high-side voltage for P-channel MOSFET gate drivers and
supply voltage for on-chip analog and digital circuits.










