Datasheet
Manuals
Brands
Trinamic Manuals
Development Boards & Kits
Evaluation Board Suitable for TMC2590 5 ... 60V
51
52
53
54
55
56
57
58
59
60
TMC2590 DATASHEET (
V1.0 / 201
9-
FEB
-
22
)
53
www.trinamic.com
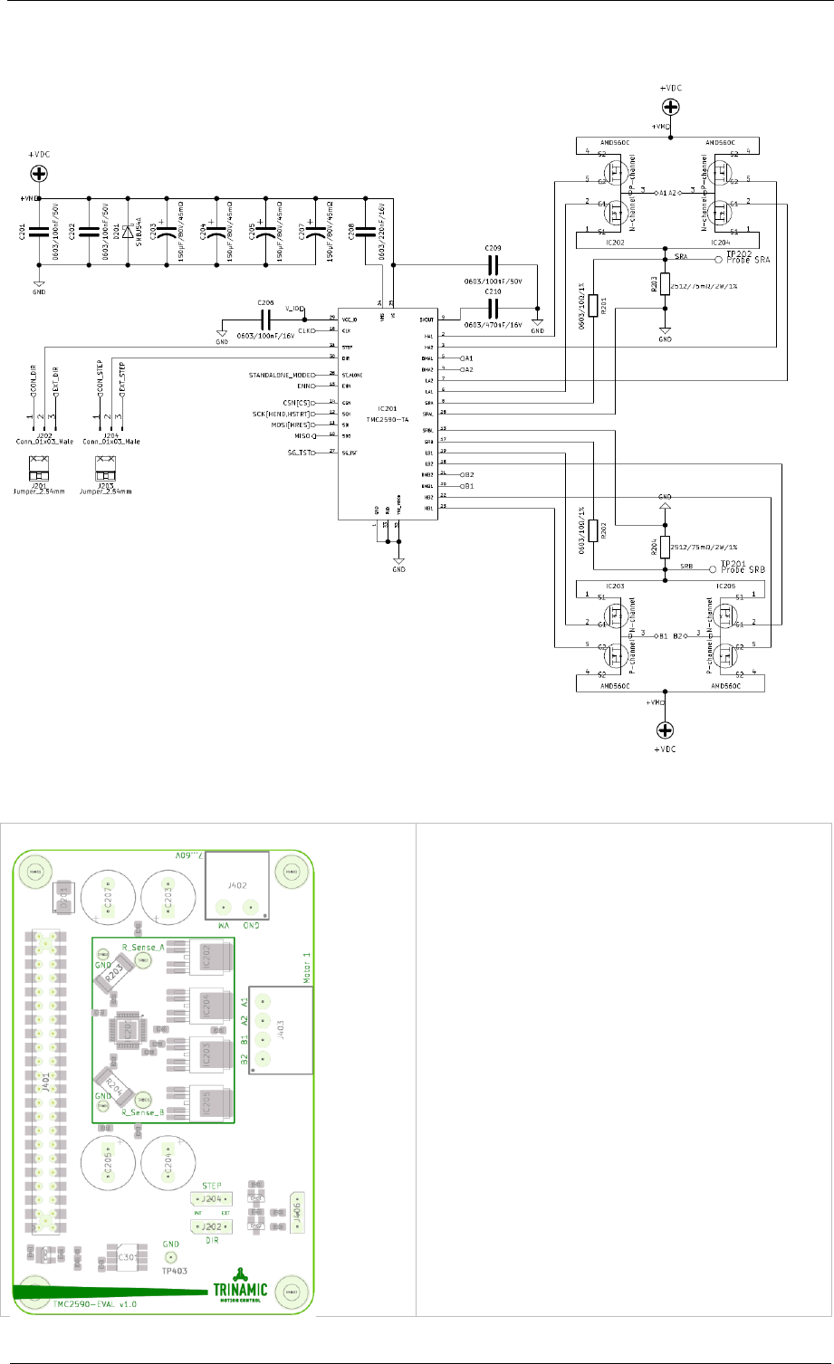
16.4
Layou
t Example
Figure
16
.1 Sche
matic of TMC25
90-EVAL (power part
)
assembly drawing
1
...
...
51
52
53
54
55
...
...
64