Data Sheet
Manuals
Brands
TRU COMPONENTS Manuals
Electromechanics
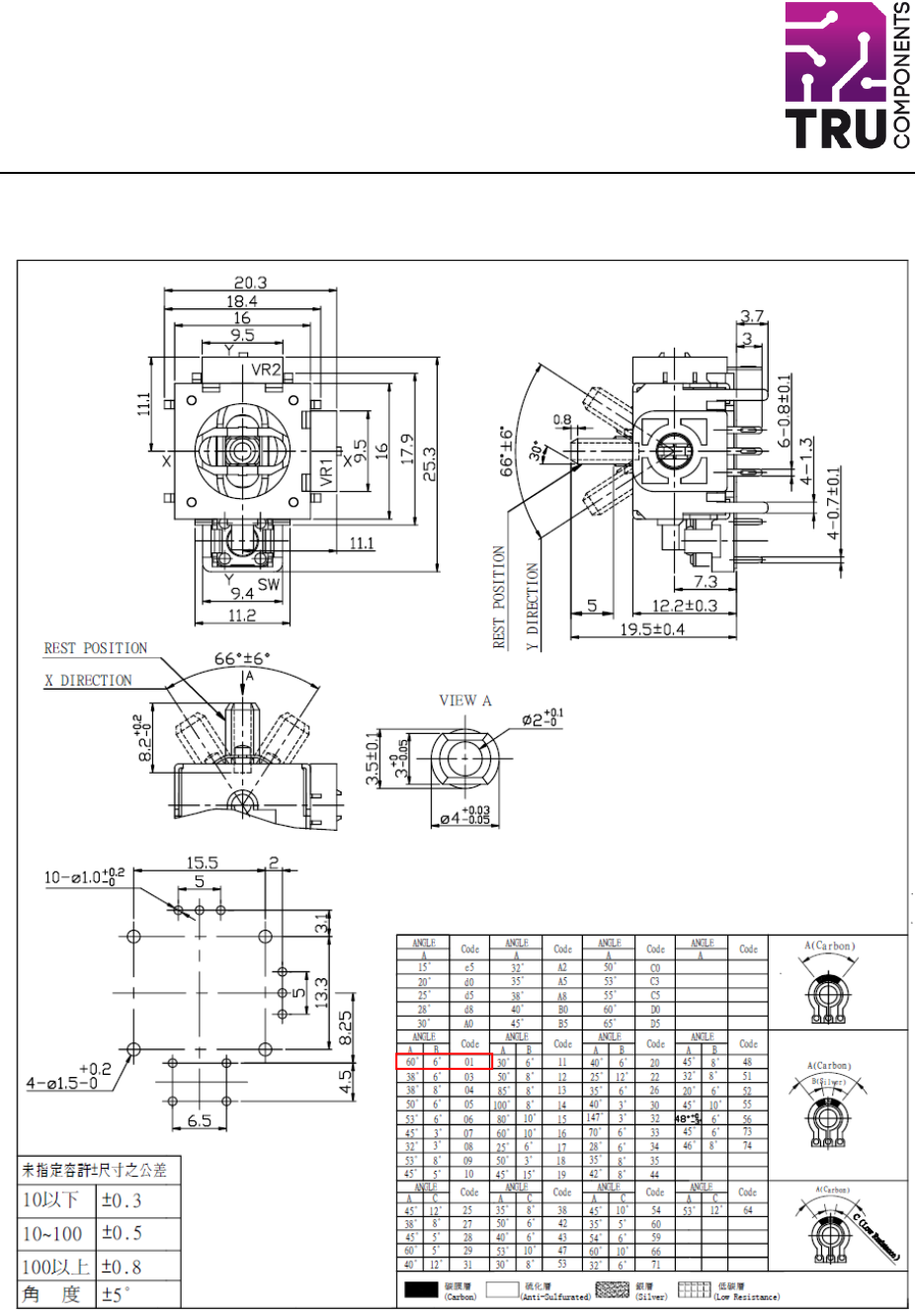
TRU COMPONENTS 98002C3 Joystick 12 V DC Steel lever (straight) Solder pins 1 pc(s) Xbox 360, PS2, PS3
1
2
3
4
5
6
7
8
9
10
Conrad Electronic SE, Klaus
-Conrad
-Str. 1, D-92240 Hirschau
Item no.:
1
566388
Data Sheet
Page
2
of
11
1
2
3
4
...
...
11