Data Sheet
Manuals
Brands
TRU COMPONENTS Manuals
Electromechanics
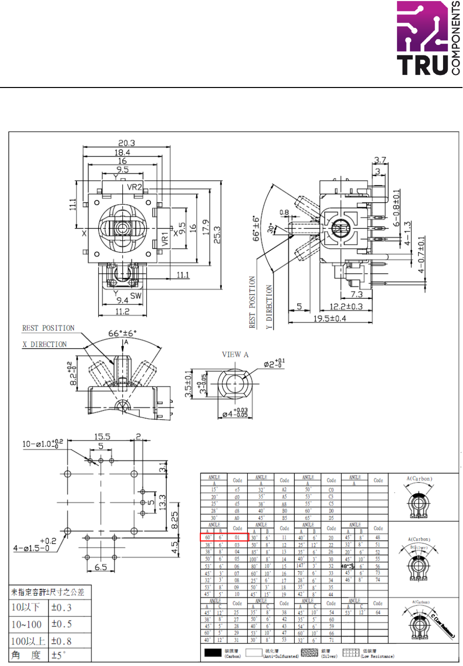
425624 Joystick 12 V DC Plastic lever Solder pins 1 pc(s) Xbox 360
1
2
3
4
5
6
7
8
9
10
Conrad Electronic SE, Klaus
-Conrad
-Str. 1, D-92240 Hirschau
Item no.:
1
566388
Data Sheet
Page
2
of
11
1
2
3
4
...
...
11