Residential Single and Double Wall Oven Service Manual

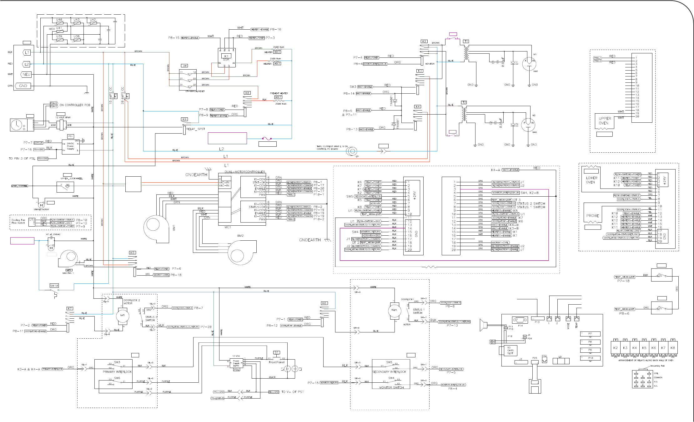
OVEN SCHEMATICS
7.1
1 uF
1 uF
BA
CLK
B
A
UTB
UCW
CKXF
1 uF
C
SIL
B
A
3
1
7
4
9
6
6
4
B
A
3
1
7
9
6
4
B
A
3
1
7
9
2 6
4
5
1 3
3
1
7
4
9
6
6
4
B
A
3
1
7
9
B
A
3
1
7
4
9
6
6
4
B
A
3
1
7
9
B
A
280°F
SW7
280°F
SW1
CLOCK ASSEMBLY
CT1
12
SAFETY INTERLOCK 
SIR
12
OT 3
LOWER OVEN
N.C. HI-LIMIT
280°F
L280-35F
UPPER OVEN
N.C. HI-LIMIT
270°F
L250-35F
OT 2
2
6
4
5
1 3
RIGHT SIDE DOOR SWITCH/LOCK ASSEMBLY
STR
LEFT SIDE DOOR SWITCH/LOCK ASSEMBLY
FAN1
SAFETY INTERLOCK
1
COM
3
4
NO
2
LOWER BLOWER
LINE
FILTER
(Ref P/N RM34-0100)
(Ref P/N RM34-0102)
UPPER BLOWER
LINE
LOAD
LF1
VAC
J4
J5
J2
J1
P7
P8
470 Ohm
2 Watt
5 AMP 
F3 FUSE
TO F3 FUSE
MAG THERMO SWITCH
MAG THERMO SWITCH
PRTD3
PRTD2
P9
TO CLOCK
ASSEMBLY
USB1
SPEAKER
To Lower Oven 
Mode Knob
To Lower
Oven Display
1 TO 1 RIBBON CABLE
To Upper CookWheel
USB
RECEPTACLE
I/O CONTROL BOARD
 Magnecraft 
389CX-179-24VDC
PRTD4
P10
I/O BOARD CONNECTOR
I/O BOARD CONNECTOR
I/O BOARD CONNECTORS
N.O THERMAL 
SWITCH
140 F
(Generation 1)
Switches depicted as “door open”
Switches depicted as “door open”
COOLING FAN
TO UPPER AND LOWER
COOLING FANS
TDO Upper Oven










