Residential Single and Double Wall Oven Service Manual

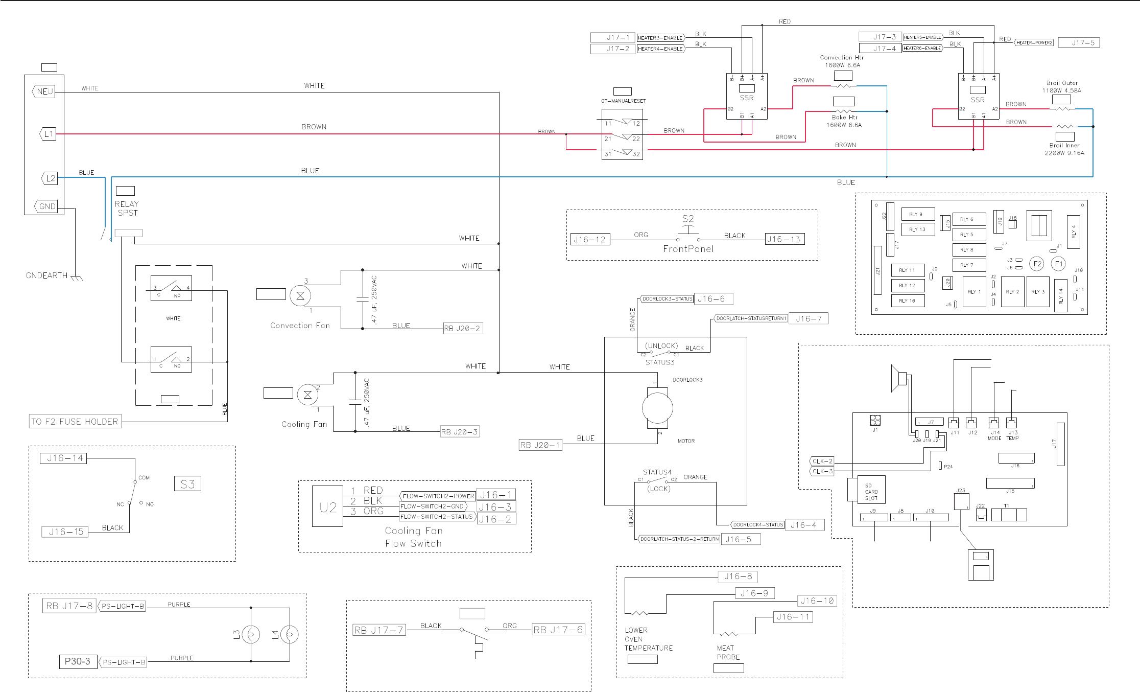
7.4 OVEN SCHEMATICS
L1
C
LTB
FAN3
B
LCW
FAN2
L2
A
K13
COM
NO
LOWER COOK WHEEL
DOOR LATCH
ASSEMBLY
HX3
HX5
HX4
K12
OT2
K11
HX6
SW9
PRTD3
PRTD2
DOOR LIGHT
SWITCH
(Generation 2)
SPEAKER
TO CLOCK
ASSEMBLY
To Lower
Oven Display
USB
RECEPTACLE
To Upper Oven CookWheel
To Lower Oven Mode Knob
To Upper
Oven Display
I/O CONTROL BOARD
RB
RB
RB
RB
RB
N.O. COOLING FAN THERMOSTAT
160°F OPERATION
RELAY BOARD - REV D
TDO2 Bottom Oven










