- Ultra Electronics Prima 2e Retransfer Printer Instruction Manual
Table Of Contents
- XIDi printerp2-6.pdf
- Checking accessories
- Handling of transfer film, ink ribbons and cards
- Set-up 11
- Connecting the power cord
- Installing the card stacker
- Setting the ink ribbon
- Setting the retransfer film
- Connecting with a host computer 22
- Before use
- Operation display LED 23 LCD panel
- Operation display LED contents and the LCD panel

31
Operation (continued)
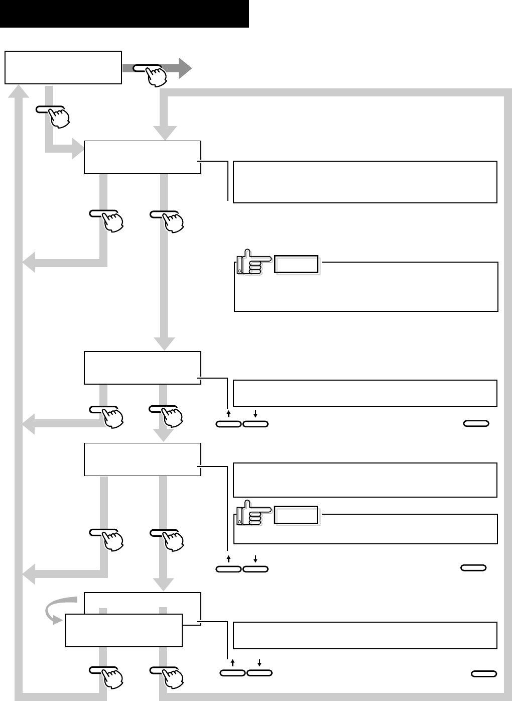
Ink mode setting
Change settings according to the ink ribbon used.
>Ink>
>>Black Level
>>Black Mode
>>Ink Type
YMCK:0
0(Standard)
Standard
>>SP-Ink 1 Level
-2
ENTER
ENTER
ENTER
MENU
MENU
MENU
MENU
EXIT
EXIT
EXIT
EXIT
ENTER
EXIT
>>SP-Ink 2 Level
-2
or
Exit user mode
Display the ink ribbon type.(YMCK:0, YMCKK:4 etc)
Display only because of automatic setting by RF-ID
(Setting is not possible)
• Yellow (Y), Magenta (M), Cyan (C) and Black (B)
are provided as the standard ink ribbons. For the
setting to YMCK+PO, consult with your dealer.
(The electronic beep sounds .The beep will not
sound if the buzzer mode setting is set to off.)
(The electronic beep sounds .The beep will not
sound if the buzzer mode setting is set to off.)
(The electronic beep sounds .The beep will
not sound if the buzzer mode setting is set to off.)
Set the black value K
9 gradations can be set
(from –3 to +5, the larger the value the darker the printing)
•
Small characters printed in black ink may be blurred or
partially darkened. If this is the case, change the setting.
Press to select the setting value and press
to save.
Set the K printing mode:2 options
(Standard and Fine)
• Set to “Fine”mode if blurring still occurs after an
increase in “Black Level.” The printing time slightly
becomes longer in this setting.
• Set to “Fine” mode to avoid blurring
when printing thin by 1 dot lines or small characters.
CAUTION
Press to select the setting value and press
to save.
Special ink SP-Ink 1, SP-Ink 2 darkness level.
9 gradations can be set
(from –3 to +5, the higher the value the darker the printing.)
• Set this darkness level when using a special ink
(not yet available).
Press to select the setting value and press
to save.
• The YMCKK ink ribbon shall be
used only when the face of card is printed by YMCK and
the back by K,or the face by K and the back by YMCK.
Otherwise some error may happen.
CAUTION