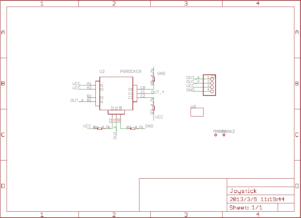
Circuit diagram
Manuals
Brands
Unbranded Manuals
Raspberry Pi
Linker Kit add-on PCB pcDuino, Raspberry Pi® A, B, B+, Arduino
1
2013/3/5 1
1:20:35 E:\
已经
打板的电
路(
Kid
)
\T
ink
erKit\Linke
r Thumb Joystick
相关文档
\Thumb-J
oystick\Jo
ystick.sch
(Sheet: 1/1)
1
Summary of content (1 pages)
PAGE 1
2013/3/5 11:20:35 E:\已经打板的电路(Kid)\TinkerKit\Linker Thumb Joystick相关文档\Thumb-Joystick\Joystick.