Instructions / Assembly
Manuals
Brands
Unbranded Manuals
Garden Center
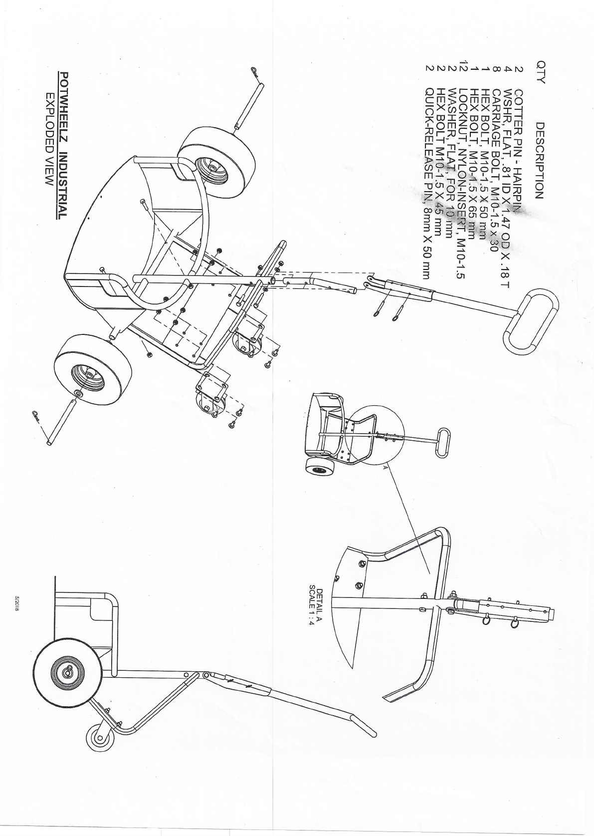
Industrial Blue Potwheelz Garden Dolly
1
2
1
2
Summary of content (2 pages)
PAGE 1
PAGE 2