Smoke Alarm User Manual

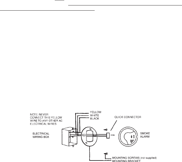
The yellow wire is used only for multiple station operation with USI ELECTRIC or
UNIVERSAL Model alarms only. Connecting this yellow wire to any other circuits may
result in damage and smoke alarm malfunction. When alarms are interconnected, all smoke
alarms must be powered from a single AC branch circuit. If local codes do not permit, be
sure the neutral wire is common to both phases. The maximum wire run distance between
the first and last alarm/device in an interconnected system is 1,000 feet. NOTE: Use standard
household wire (18 gauge or larger, rated at least 300V, as required by local codes) available
at all electrical supply/hardware stores.
The wiring to be used shall be in accordance with the provisions of Articles 210 and 300.3(B)
of the National Electrical Code, ANSI/NFPA 70. In addition, the resistance of the interconnecting
wiring shall be a maximum of 10 Ohms.
2. Attach the mounting bracket to the electrical junction box.
3. To activate 9 volt battery and alarm, hold the QUICK DRAW
(R)
battery drawer closed, pull and
remove the PULL-TAB. Confirm that the entire PULL-TAB has been completely removed.
Discard PULL-TAB.
4. Plug the AC QUICK CONNECTOR into the alarm base. Push and twist the alarm clockwise
onto the mounting bracket.
5. See "OPTIONAL TAMPER RESISTANT FEATURES" and "TO ACTIVATE THE LOCKING
FEATURES" instructions on Page 4.
6. Turn on AC power and check the LED's for proper operation. The green LED should be on to
indicate AC power. The red LED blinks on approx. every 40-45 seconds to indicate proper operation.
OPERATION, TESTING & MAINTENANCE
OPERATION: The smoke alarm is operating once the AC power is connected and turned on (the
battery must also be installed). When products of combustion are sensed, the alarm sounds a loud
alarm which continues until the air is cleared.
This alarm incorporates the NFPA recognized horn signal for evacuation. During alarm mode, the
horn produces three beeps followed by a two second pause and then continually repeats.
READY/ACTIVE CONDITION: The red LED blinks on once approx. every 40-45 seconds to indicate
the alarm is properly functioning.
LOCAL ORIGINATING ALARM CONDITION: The red LED blinks on once approx. every 2 seconds
and the alarm emits a loud, pulsating alarm sound.
NON-ORIGINATING ALARM CONDITION: The red LED is off and the alarm emits a loud, pulsating
alarm.
GREEN LED: The green LED is on whenever AC power is turned on.
NUISANCE ALARMS:
The smoke alarm is designed to minimize nuisance alarms. Smoking will
not normally set off the alarm unless smoke is blown directly into the smoke alarm. Combustion
particles from cooking may set off the alarm if the smoke alarm is located close to the kitchen
cooking surface. Large quantities of combustion particles are generated from spills or broiling.
If the smoke alarm does sound, check for fires first. If a fire is discovered, get out and call the fire
department. If no fire is present, check to see if one of the reasons listed above may have caused
the alarm. Use the Silence Feature if it is a nuisance alarm, or reset the alarm by pressing and
holding the test button for ten seconds. Refer to RESET on Page 7.
TESTING: Test by pushing the Test button on the smoke alarm cover until the alarm sounds, then
release. The alarm sounds if all electronic circuitry, horn and battery are working. If no alarm sounds,
the alarm may have a power supply failure. Test the smoke alarm weekly to assure proper
operation.
ALARM ORIGINATION: The QUICK FIND
®
Alarm Origination Feature allows the user to identify
the initiating alarm smoke alarms in an interconnected alarm system. If an interconnected alarm
system is initiated by one of the alarms, when the alarm system exits alarm condition, the user can
identify the initiating alarm by:
a. Pressing and releasing the test button on any alarm in the system.
Page 6










