Datasheet
Manuals
Brands
Value Manuals
computer cables
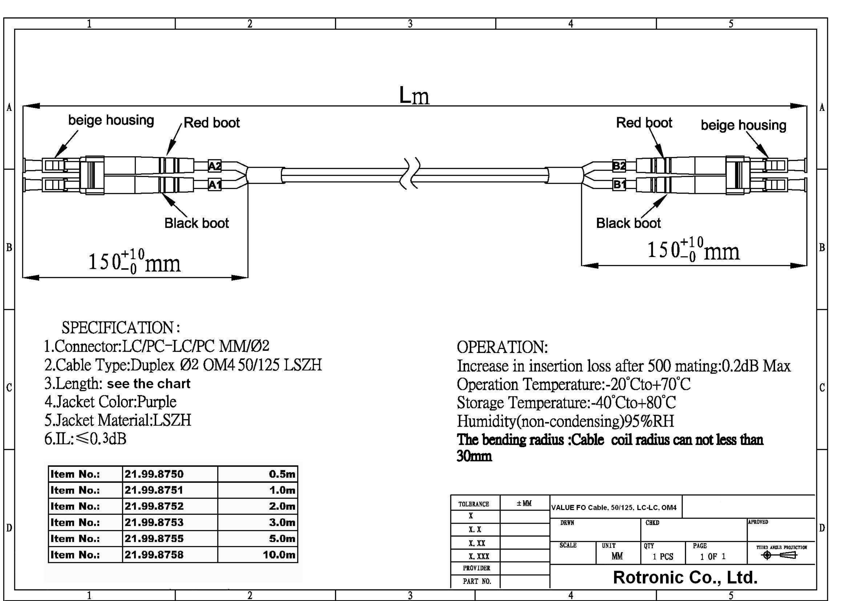
21.99.8751
1
2
1
2