User Manual

3.2 D
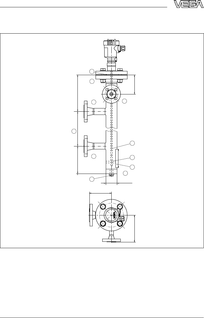
imensions
115 mm
(4.53")
0 %
100 %
ø 60,3 mm
(2.37")
140 mm
(5.51")
150 mm (5.91")
250 mm (9.84")
100 mm
(3.94")
E
D
C
B
A
1
2
4
5
3
6
Fig. 3: Bypass
tube with VEGAFLEX
1 Dimensions tube center to tube center, 300 … 3000 mm (11.8 … 118 in)
2 Seal - measuring instrument flange
3 Electrode rod
4 Spacer
5 Type label
6 Closure rinsing connection, e.g. blind stopper
A Measuring instrument flange
B Connection flange, top
C Connection flange, bottom
D Rinsing air connection
8 Bypass 72 • with VEGAFLEX level
sensor
3 Suppl
ement
33545-EN-081216










