Owner's manual
Table Of Contents
- Contents
- Safety information
- Note Ex-area
- 1 Product description
- 1.1 Function and configuration
- 1.3 Technical data
- 1.4 Approvals
- 1.5 Dimensions
- 1.6 Type plate
- 2 Mounting
- 2.1 Mounting instructions
- 3 Electrical connection
- 3.1 Connection instructions
- 3.2 Wiring plan
- 4 Set-up
- 4.1 General adjustment
- 4.2 Level detection
- 4.3 Continuous level measurement
- 5 Diagnosis
- 5.1 Simulation
- 5.2 Maintenance
- 5.3 Repair
- 5.4 Failure removal

22 Capacitive electrodes EK with signal conditioning instrument
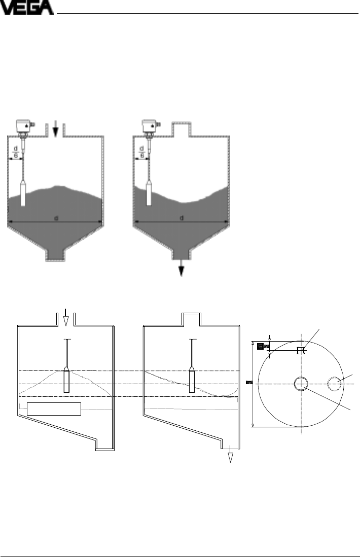
Mounting
Filling
Emptying
Fig. 2.8 Material cone, filling and emptying centered
3
1
2
Filling Emptying
1 Emptying
2 Filling opening
3 Capacitive
electrode
Fig. 2.9 Material cone, filling centered, emptying laterally
Material cone
Note when installing the electrodes into the
vessel, that material cones can be caused
with solids which can change the switch
point. We recommend to choose an installa-
tion place where the electrode detects an
average value of the material cone.
According to the position of the filling and
emptying opening in the vessel, the electrode
must be installed appropriately. To compen-
sate the measuring errors caused by the
material cone, you should install the electrode
at a distance of
d
/
6
from the vessel wall.










