USER'S GUIDE User guide

EXPANSION PORT MOUNTING
15
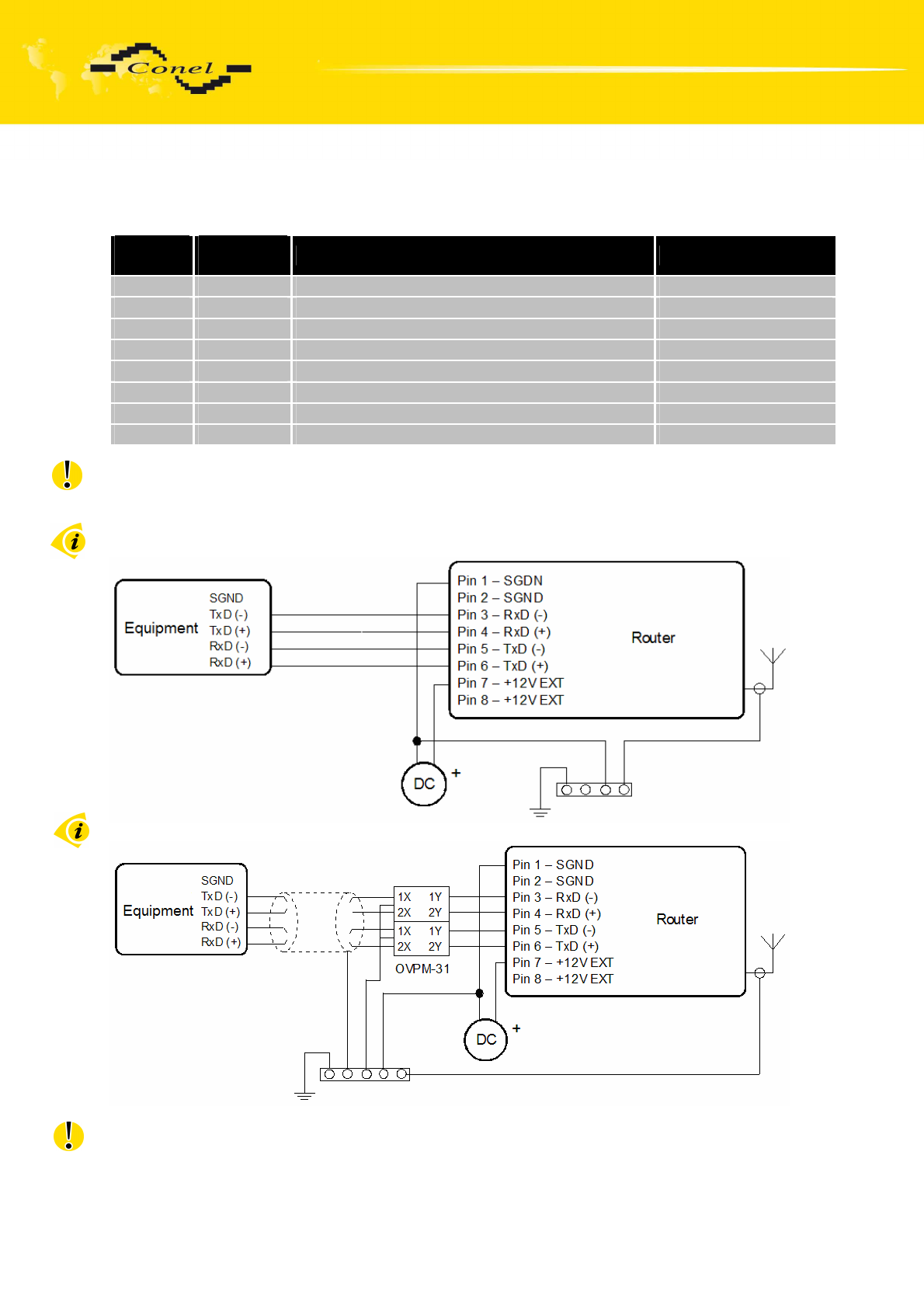
2.8.5. Connection of the Port1 Connector – RS422
Pin
number
Signal
mark
Description Data flow direction
1 SGND Signal and power supply ground
2 SGND Signal and power supply ground
3 RxD- Receive Data (-) Output
4 RxD+ Receive Data (+) Output
5 TxD- Transmit Data (-) Input
6 TxD+ Transmit Data (+) Input
7 +12V EXT
External power supply
8 +12V EXT
External power supply
ATTENTION! Power supply is selected on the expansion port RS422 by help
of a jumper, 2.9. If galvanic separation is required the converter must have an external
power supply.
Circuit example of the equipment with router with data cable length less than 10 m:
Circuit example of the equipment with a router with data cable length more than 10 m:
With a RS422 data cable more than 10m it is necessary to use overvoltage protection
on the router side!
LUCOM GmbH * Ansbacher Str. 2a * 90513 Zirndorf * Tel. 09127/59 460-10 * Fax. 09127/59 460-20 * www.lucom.de










