USER'S GUIDE User guide

EXPANSION PORT MOUNTING
16
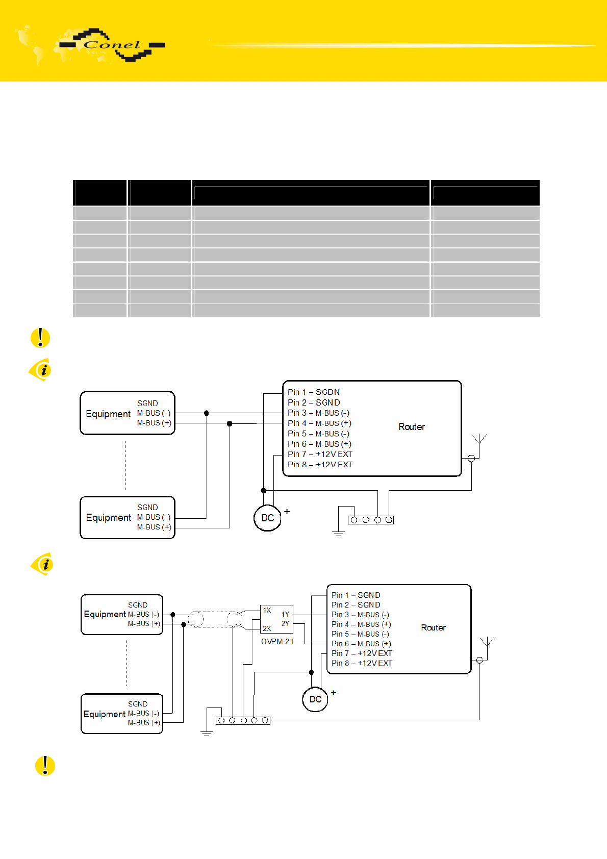
2.8.6. Connection of the Port1 Connector – M-BUSD
Panel socket RJ45.
Pin
number
Signal
mark
Description Data flow direction
1 GND Signal and supply ground
2 GND Signal and supply ground
3 TxRx- M-BUS B (-) Input/Output
4 TxRx+ M-BUS A (+) Input/Output
5 TxRx- M-BUS B (-) Input/Output
6 TxRx+ M-BUS A (+) Input/Output
7 +12 V EXT
External power supply
8 +12 V EXT
External power supply
ATTENTION! External supply is for converter M-BUSD!
If galvanic separation is required the converter must have external power supply.
Circuit example of the equipment with a router with data cable length less than 10 m:
Circuit example of the equipment with a router with data cable length more than 10 m:
With a M-BUS data cable more than 10m it is necessary to use overvoltage protection
on the router side!
LUCOM GmbH * Ansbacher Str. 2a * 90513 Zirndorf * Tel. 09127/59 460-10 * Fax. 09127/59 460-20 * www.lucom.de










