USER'S GUIDE User guide

EXPANSION PORT MOUNTING
24
2.12. Putting into operation
Before putting the ER75i v2 or ER75i v2 SL router into operation it is necessary
to connect all components needed for the operation of your applications and the SIM card
must be inserted (the modem is off).
The modem is put into operation by connection of the power supply to the modem.
In the default setting the modem starts to login automatically to the preset APN. The behavior
of the modem can be modified by means of the web interface which is described
in the following chapter.
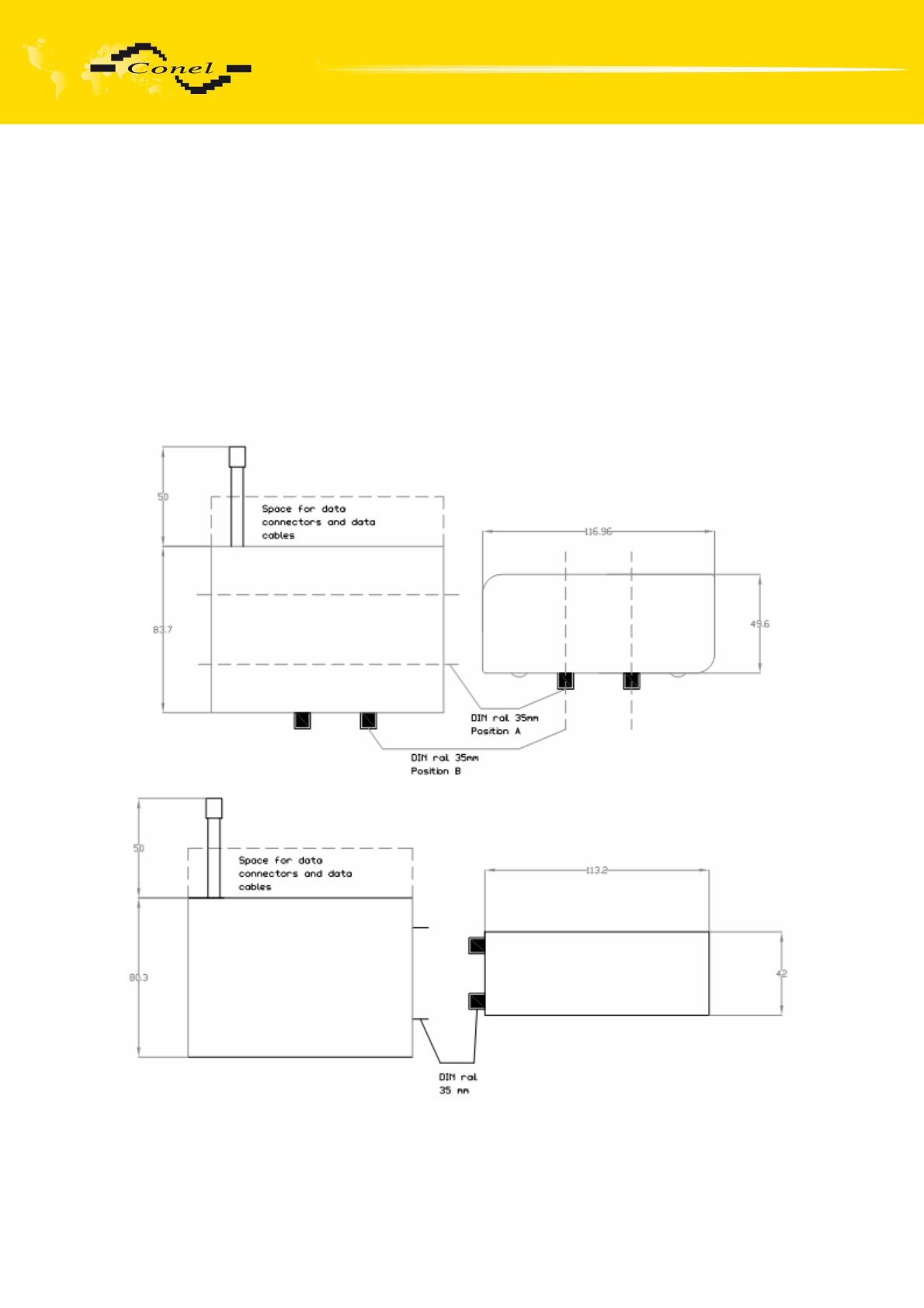
2.13. Mechanical external dimensions and mounting recommendations
LUCOM GmbH * Ansbacher Str. 2a * 90513 Zirndorf * Tel. 09127/59 460-10 * Fax. 09127/59 460-20 * www.lucom.de










