USER'S GUIDE User guide
Manuals
Brands
VEGA Manuals
Accessories communication
LUCOM EDGE router ER75i v2 SL
21
22
23
24
25
26
27
28
29
30
EXPANSION PORT MOUNTING
27
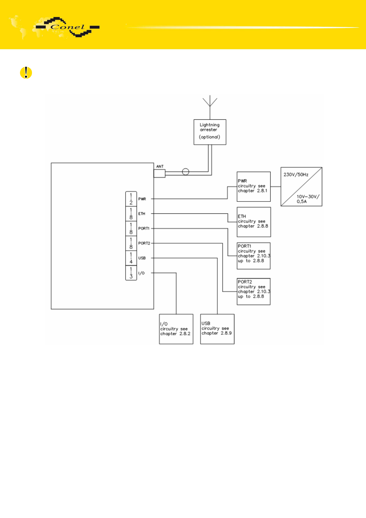
•
t
he circuit dia
gram of the modem is
on the follow
ing pictures.
LUCOM
GmbH * Ansbacher St
r. 2a * 90513 Zirnd
orf * Tel. 09127/
59 460-10 * F
ax. 09127/59 46
0-20 * ww
w.lucom.de
1
...
...
25
26
27
28
29
...
...
101