Specifications
Table Of Contents
- Table of Contents
- Nomenclature
- Safety Considerations
- General Information
- Installation
- Start-up
- Maintenance
- Appendix A: Equipment Data
- Appendix B: Dimensional Drawings
- Appendix C: Flow Measuring Station and Balancing Damper Positions
- Appendix D: Drain Connections
- Appendix E: Mounting Diagrams
- Appendix F: Terminal Control Diagrams
- Appendix G: HRV600i, HRV700i and HRV1200i Start-up Form and Checklist
- Appendix H: Electrical Control Box and Wire Connections
- Appendix I: Components
- Appendix J: Troubleshooting
- Appendix K: Make-up Heat Requirements

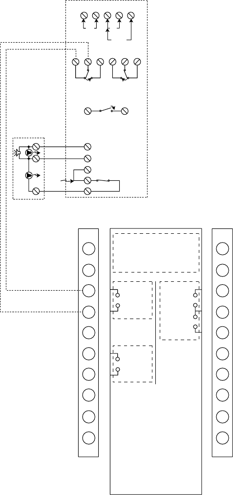
Smoke Detector
Locate in a normally occupied area of premises. Recom-
mended for compliance to NFPA-90A and IMC code 606.
HRVs can be equipped with a duct mount smoke detector
which will monitor the air when passing through the duct
system into the HRV. When sufficient smoke is detected,
an alarm condition is activated. By connecting the occu-
pied timer/sensor contacts to the NC alarm auxiliary con-
tacts on the duct sensor, an alarm condition will open the
auxiliary contact and stop operation of the HRV.
AVAILABLE POWER INPUTS
9 10 A B C
24V
120
VAC
220/240
VAC
ALARM AUXILIARY CONTACTS
FOR FAN SHUTDOWN, ETC.
16 6 17 7 18 8
ALARM AUXILIARY CONTACTS SHOWN IN
STANDBY. CONTACTS TRANSFER DURING
ALARM AS INDICATED BY THE ARROWS.
N.C. C. N.O.
N.O.
C.
N.C.
14
3
N.O.
TROUBLE CONTACTS CLOSED IN ALARM AND
STANDBY. CONTACTS OPEN WHILE DETECTOR
HEAD OR POWER IS REMOVED, AND DURING
RESET. OPEN CONTACTS SIGNAL TROUBLE
CONDITION TO PANEL.
2 ALARM 15
1 COMMON 20
19
14
3 POWER 3
(+) ALARM SIGNAL
(D) AUX POWER
(+) AUX POWER
TROUBLE
CONTACTS
FIELD
INSTALLED
JUMPER
GRN.
RED
POWER INPUTS ACCEPT
24 VDC, 24 VAC 50–60 HZ,
120 VAC 50–60 HZ, OR
220/240 VAC 50–60 HZ.
CONNECT POWER SOURCE
TO APPROPRIATE TERMINALS
OF EACH DETECTOR.
ALARM AUXILIARY CONTACT RATINGS
10A @ 30 VDC
10A @ 250 VAC (0.75 POWER FACTOR)
240VA @ 240 VAC (0.4 POWER FACTOR)
1/8 HP @ 120 VAC
1/4 HP @ 240 VAC
500mA MINIMUM @ 24 VDC
NOT INTENDED FOR CONNECTION
TO CONTROL PANELS.
ALARM INITIATION CONTACT RATING
2.0A @ 30 VAC/DC (0.6 POWER F
ACTOR)
TROUBLE CONTACT RATING
0.3A @ 32 VAC/DC
TROUBLE CONTACTS CLOSED IN
STANDBY AND ALARM. CONTACTS
OPEN WHILE DETECTOR HEAD OR
POWER IS REMOVED, AND DURING
RESET. OPEN CONTACTS EXTINGUISH
OPTIONAL APA451 GREEN POWER
LED TO INDICA
TE TROUBLE CONDITION.
1
2
3
4
5
6
7
8
9
10
1
2
3
4
5
6
7
8
9
10
ALARM INITIATION CONTACTS
WALL CONTROL
CLASS 2 VOLTAGE
BLACK
OCCUPIED
TIMER/
SENSOR
FAN
INTERLOCK
CONTACT
LOW
COMMON
HIGH
RED
GREEN
YELLOW
NOTE:
Connections are all dry contacts
except wall control and 24 VAC
power supply.
Use of 24 VAC circuit requires
isolating contacts (ex. thermostat)
to prevent interconnection of
Class 2 outputs.
Figure F5: Smoke detector
VCES-HRV-IOM-1C – HRV600i, HRV700i, HRV1200i
28