User manual

RESET
Wird die Reset-Taste maximal 5 Sekunden lang gedrückt, dann macht das Gerät einen Neu-
start. Die gelbe Status-LED leuchtet beim Drücken für genau 5 Sekunden auf. Anschließend
erlischt die LED und der Neustart wird durchgeführt.
Wenn Sie die Reset-Taste länger als 5 Sekunden drücken, dann wird das Gerät auf die
Werkseinstellungen zurückgesetzt und startet danach automatisch neu. Dies sollten Sie z.B.
machen, bevor Sie das Gerät an eine andere Person weitergeben. Die gelbe Status-LED
leuchtet zunächst wieder 5 Sekunden auf, fängt aber dann mit 1 Hz zu blinken an. Sobald die
Status-LED zu blinken beginnt, kann die Reset-Taste losgelassen werden.
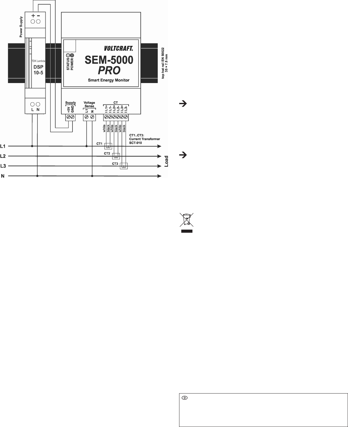
ANSCHLUSSPLAN
Alle Anschlüsse erfolgen mit schraubbaren Klemmen. Die Auswahl der Anschlussleitungen
hat unter Beachtung der geltenden lokalen Vorschriften und Bestimmungen zu erfolgen.
Das System ist für den Betrieb im Hausverteilerkasten vorgesehen. Die Stromwandler sind an
L1/L2/L3 ausgangsseitig vom Hauptstromzähler anzubringen. Dabei ist unbedingt zu beach-
ten, dass die Wandler geschlossen sind und die Verriegelungsklammer sauber eingerastet ist.
Beim Starten des Geräts blinkt die grüne Power-LED mit 1,5 Hz und leuchtet danach
konstant.
NETZWERKKONFIGURATION
Sie können den „SEM-5000 PRO“ entweder mit einem LAN-Kabel an ihren Router anschlie-
ßen oder an einen der USB-Anschlüsse einen WLAN-Adapter einstecken.
LAN
Netzwerkkonguration per LAN (Voreinstellung DHCP):
Sie können den „SEM-5000 PRO“ direkt per LAN-Kabel mit dem Router verbin den. Sobald
die Verbindung hergestellt ist, kann die Web-Oberäche über die unten angegebenen URLs
im Browser erreicht werden.
Alternativ können Sie in der Software Ihres Routers in der Liste der angeschlossenen Geräte
nach „SEM-xxxxxx“ suchen und die Web-Oberäche mit der zugewiesenen IP-Adresse
aufrufen: http://<IP-Adresse>.
Notfall-IP-Adresse:
Der „SEM-5000 PRO“ verfügt über eine Notfall-IP-Adresse, so dass er bei Fehlkonguration
erreichbar ist, ohne ihn zurücksetzen zu müssen. Die Notfall-IP-Adresse ist fest einprogram-
miert und nicht änderbar. Die LAN-Adresse lautet: 172.24.127.127
Der Computer muss sich bei diesem Zugriff im gleichen Adressbereich benden; stellen Sie
die TCP/IPv4- Adresse des Computers manuell z.B. auf 172.24.127.1 ein (die Subnetzmaske
wird dabei automatisch auf 255.255.0.0 gesetzt).
WLAN
Netzwerkkonguration mit der Accesspoint-Funktion des „SEM-5000 PRO“:
• Werkseitig ist der „SEM-5000 PRO“ bei eingestecktem USB-WLAN-Adapter als Accesspoint
konguriert. Um sich mit dem WLAN-Netzwerk des „SEM-5000 PRO“ zu verbinden, suchen
Sie in den verfügbaren WLAN-Netzwerken nach „SEM-xxxxxx“ und verbinden sich mit
diesem Netzwerk. Das Default-Passwort lautet 87654321.
• Sobald die Verbindung hergestellt ist, erreicht man das User-Interface im Browser über
http://192.168.127.1. Sie können nun die Netzwerkeinstellungen komfortabel über die Web-
Oberäche durchführen. Die Vorgehensweise hierzu nden Sie in der Bedienungsanleitung,
welche Sie durch Klicken auf das Fragezeichen im rechten oberen Bereich der Webseite
anzeigen können.
Verbindung mit dem Router per WPS herstellen:
• Mit WPS (Wi-Fi Protected Setup) können Sie schnell und einfach eine sichere WLAN-Ver-
bindung mit dem Router herstellen. Die Voraussetzungen dafür sind, dass Ihre WLAN-Ba-
sisstation WPS unterstützt, dass dort WPS aktiviert ist und dass die SSID (Funknetzna me)
der WLAN-Basisstation sichtbar ist. Weiterhin muss der im „SEM-5000 PRO“ verwendete
USB-WLAN-Adapter WPS-fähig sein.
• Drücken Sie nun den WPS-Knopf am Router. Je nach Router-Typ wird dort eine entspre-
chende LED zu blinken beginnen.
• Drücken Sie anschließend den WPS-Knopf auf dem „SEM-5000 PRO“. Beide LEDs des
„SEM-5000 PRO“ blinken nun abwechselnd für maximal 2 Minuten. Während dieser Zeit
werden beide Geräte nach einem geeigneten Signal suchen. Sobald die Verbindung herge-
stellt ist (spätestens aber nach 2 Minuten) hören die LEDs auf zu blinken.
• Sie können nun die Web-Oberäche des „SEM-5000 PRO“ über „sem“ oder „sem-xxxxxx“,
einem Punkt und dem DNS- Sufx-Namen erreichen, also z.B. „sem-42D5FC.box“ oder
„sem-42D5FC.localdomain“.
„xxxxxx“ sind hier die letzten 6 Stellen der MAC-Adresse des „SEM-5000 PRO“.
Den DNS-Sufx-Namen erhalten Sie, wenn Sie auf Ihrem PC „ipcong“ bei der Eingabeauf-
forderung eingeben.
Alternativen dazu sind http://sem und http://sem-xxxxxx.
• Sollten Sie sich über die angegebenen URLs nicht mit der Web-Oberäche des „SEM-
5000 PRO“ verbinden können, können Sie auch in der Software Ihres Routers in der Liste
der angeschlossenen Geräte nach „sem-xxxxxx“ suchen und die Web-Oberäche mit der
zugewiesenen IP-Adresse aufrufen: http://<IP-Adresse>.
Bei Empfangsproblemen ist es ratsam, den USB-WLAN-Adapter (optional, nicht im
Lieferumfang) mittels einem USB Verlängerungskabel (Länge max. 1,8 m) außerhalb
des Verteilungskastens anzubringen.
KONFORMITÄTSERKLÄRUNG (DOC)
Hiermit erklären wir, Conrad Electronic SE, Klaus-Conrad-Straße 1, D-92240 Hirschau, dass
sich dieses Produkt in Übereinstimmung mit den grundlegenden Anforderungen und den
anderen relevanten Vorschriften der Richtlinie 1999/5/EG bendet.
Die Konformitätserklärung zu diesem Produkt nden Sie unter:
www.conrad.com
WARTUNG
Das Produkt ist für Sie wartungsfrei. Es sind keinerlei für Sie zu wartende Bestandteile im
Inneren des Produkts, öffnen/zerlegen Sie es deshalb niemals.
Eine Wartung oder Reparatur ist nur durch eine Fachkraft oder Fachwerkstatt zulässig.
ENTSORGUNG
Das Produkt gehört nicht in den Hausmüll.
Entsorgen Sie das Produkt am Ende seiner Lebensdauer gemäß den geltenden
gesetzlichen Vorschriften.
TECHNISCHE DATEN
a) Hutschienen-Netzteil
Betriebsspannung .................................230 V/AC, 50 Hz
Ausgang ...............................................5 V/DC, 1,5 A
Geeignete Hutschiene ..........................DIN 35
b) SEM-5000 PRO
Betriebsspannung .................................5 V/DC
Messbereich Strom ..............................0,02 A - 75 A (pro Phase)
Messbereich Spannung ....................... 230 V/AC ±10%
Ethernet ................................................10/100 Base-T
Abmessungen (B x T x H).....................71,3 x 62,5 x 90,5 mm (mit Fixierschieber 93,5 mm)
Geeignete Hutschiene ..........................DIN 35
Umgebungsbedingungen .....................Temperatur -10 °C bis +55 °C, Luftfeuchte max. 85%
relativ, nicht kondensierend
Impressum
Dies ist eine Publikation der Conrad Electronic SE, Klaus-Conrad-Str. 1, D-92240 Hirschau (www.conrad.com).
Alle Rechte einschließlich Übersetzung vorbehalten. Reproduktionen jeder Art, z. B. Fotokopie, Mikroverlmung, oder die Erfassung in elektro-
nischen Datenverarbeitungsanlagen, bedürfen der schriftlichen Genehmigung des Herausgebers. Nachdruck, auch auszugsweise, verboten.
Diese Publikation entspricht dem technischen Stand bei Drucklegung.
© Copyright 2016 by Conrad Electronic SE.