User Documentation

2690250000/02/02.202052
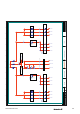
Elektroanschlussplan / Electro connection layout
Page
Total no. of pages
PV NEXT
Name
+
Date
UZ1
Schematic Diagram
21 1110 13 146
4
7
1
3
=
Brief description
84 5
9 12 15
Drawing numberPage descriptionProject description Revision
Rev.
Installation site
Mounting location
Designation:
Date Name
Edited by
70120
String Combiner Box
OPTION OPTION
OPTION/
CABLE GLAND
OPTION/
CABLE GLAND
CABLE
GLAND
OPTION OPTION
CABLE
GLAND
OPTION
+UZ1
1
-XD2
IN+
2 3
1
-XD10
1
-XD11
1
-XD12
1
-XD13
1
-XD15
1
-XD14
-XD1
OUT+
1
2 3 4
1
2
-FC1
1
2
-FC2
1
2
-FC3
1
-XE1
2
1
2
-FA1
1
2
-FA2
1
2
-FA3
1+
1+
-QB1
/1.12
+UZ2/1.6
+UZ2/1.12
+UZ3/1.6
+UZ3/1.12
-XD2
4
1
-XD3
IN-
2 3
1
-XD19
1
-XD20
1
-XD21
1
-XD16
1
-XD18
1
-XD17
-XD4
OUT-
1
2 3 4
1
2
-FC4
1
2
-FC5
1
2
-FC6
1-
1-
-QB1
/1.6
+UZ2/1.6
+UZ2/1.12
+UZ3/1.6
+UZ3/1.12
-XD3
4
-XD5
11 (COM) 14 (NO) 12 (NC)
12
11
14
-FA1
12
11
14
-FA2
12
11
14
-FA3
+UZ1-XD10
/
+UZ1-XD11
/
+UZ1-XD12
/
+UZ1-XD13
/
+UZ1-XD14
/
+UZ1-XD15
/
+UZ1-XD5:11
/
+UZ1-XD5:14
/
+UZ1-XD5:12
/
+UZ1-XD16
/
+UZ1-XD17
/
+UZ1-XD18
/
+UZ1-XD19
/
+UZ1-XD20
/
+UZ1-XD21
/
+UZ1-XE1:1
/
+UZ1-XE1:2
/ +UZ2/1.8