Instruction Manual
Manuals
Brands
WIKA Manuals
Measuring instruments
CPC6000
81
82
83
84
85
86
87
88
89
90
Automated Pressur
e Calibrator
CPC 6000
9
0
Mensor/WIKA
Operating
Instructions
-
CPC
6000
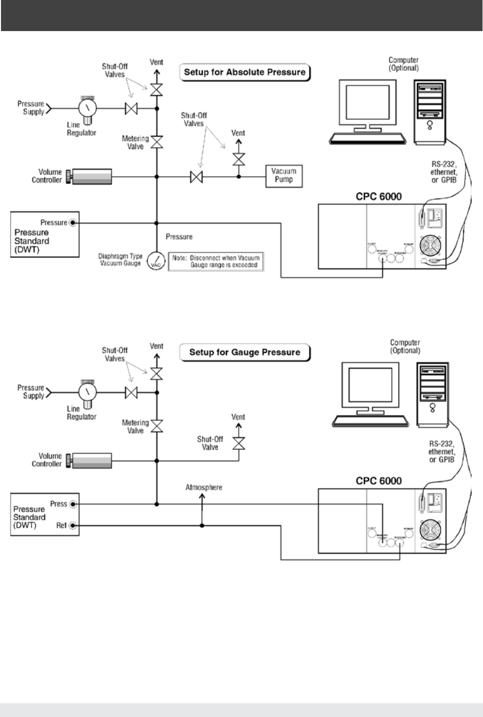
Figure 10.5 - Calibration Setup
1
...
...
88
89
90
91
92
...
...
104