Owner manual

CONNECTION DIAGRAMS
Page 5
(Passes flow sensor
pulse on to another
control without
scaling)
PULSE
PA SSTHRU
SENSOR
INPUT
POWER
4-20 mA
Flow Sensor
Red
White
Black
S
12-32 Vdc
Loop Power Supply
+
-
+
-
+
-
+
-
+
-
Electronic
Metering Pumps
30221
white
wire
red
wire
Relay Board
PULSE
SCALED
Isolated Contact
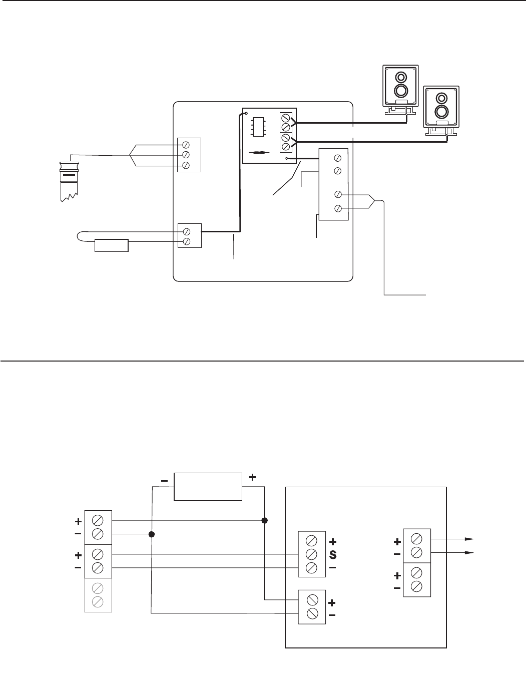
Connections for FT420-98 (Dual Relay Output Option)
Connections for FT420/EX Magmeter
+
_
S
+
_
+
_
+
+
_
_
+
_
+
_
Reverse Output
(EX Opt-15 only)
Sensor
Input
Power
Forward Output
EX SERIES
24 Vdc Power
Power
4-20mA
Pulse
Scaled
Pulse
Pass-Thru
To
Proportional
Feed
Metering
Pump
FT420
NOTE: Outputs may be paralleled
to switch up to 200 mA AC/DC