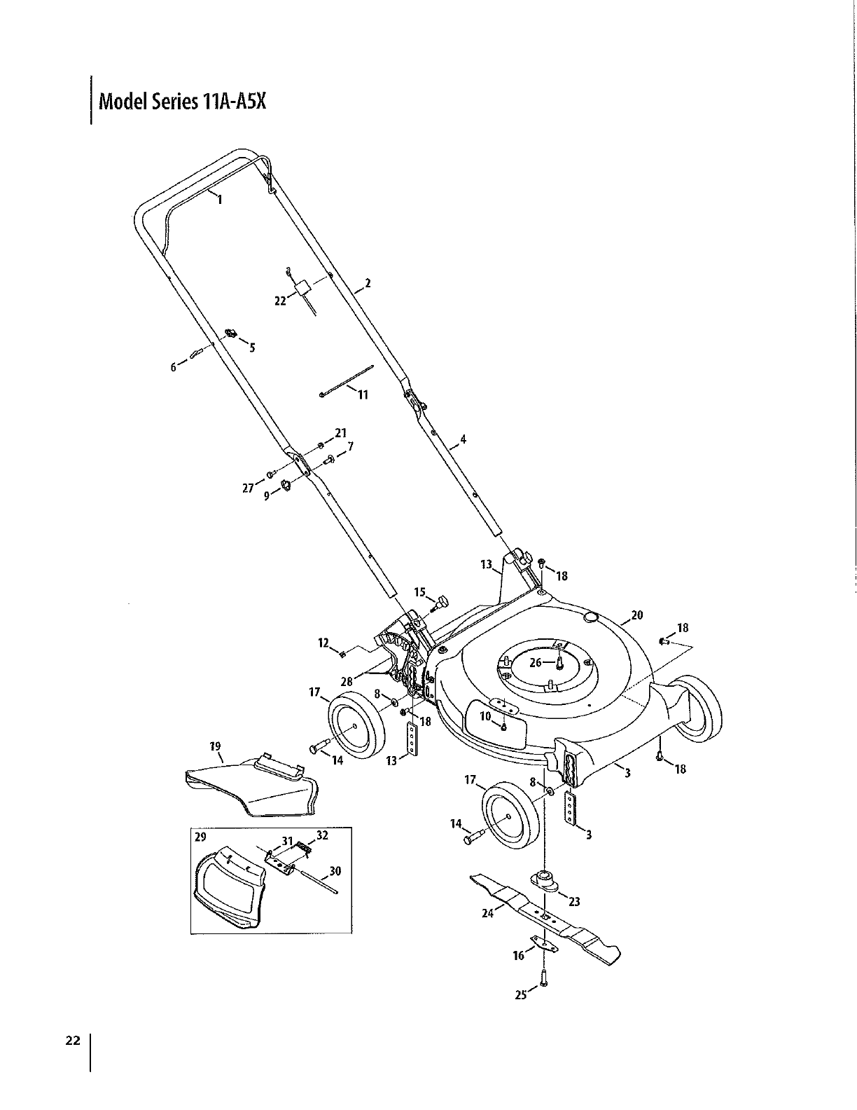
Replacement Part List
Manuals
Brands
Yard Machines Manuals
Kitchen
21 in. 140 cc Gas Walk-Behind Lawn Mower
1
2
1
2
Summary of content (2 pages)
PAGE 1
PAGE 2