YOKDP-YD4 Yokomo YD-4 Manual
Manuals
Brands
Yokomo Manuals
Cars & Trucks
YD-4 4WD Drift Car Kit
11
12
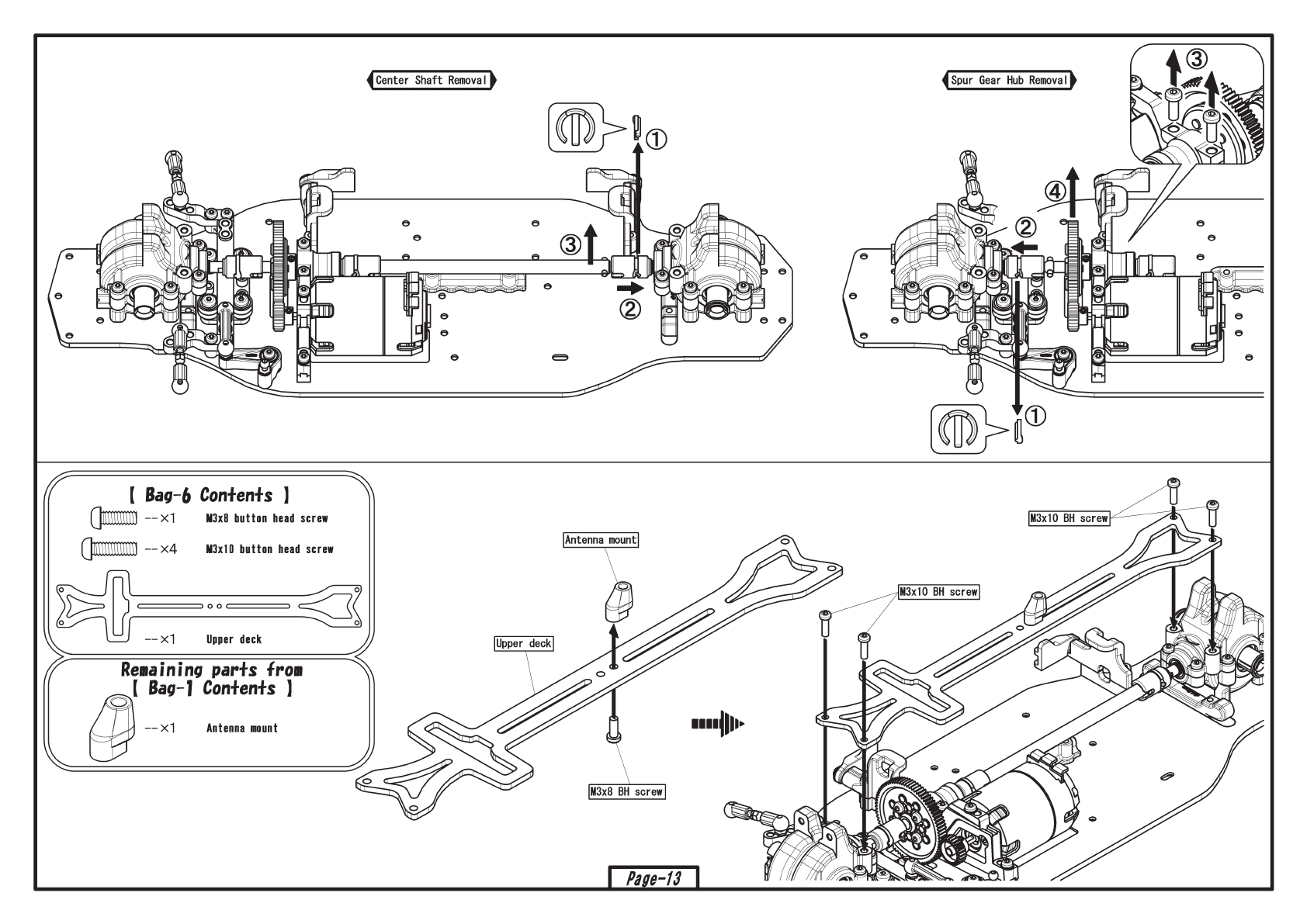
13
14
15
16
17
18
19
20
1
...
...
11
12
13
14
15
...
...
32