Installation Guide

ASSEMBLY & INSTALLATION
IN STRUCTION FOR #220F2&220F3
Please read carefully and save these instructions, as you may need them at a later date.
GENERAL
All electrical connections must be in accordance with local and National Electrical Code (N.E.C.) standards. If
you are unfamiliar with proper electrical wiring connections obtain the services of a qualified electrician.
Remove the fixture and the mounting package from the box and make sure that no parts are missing by
referencing the illustrations on the installation instructions.
CAUTION
Turn off the main power at the circuit breaker before installing the fixture, in order to prevent possible shock.
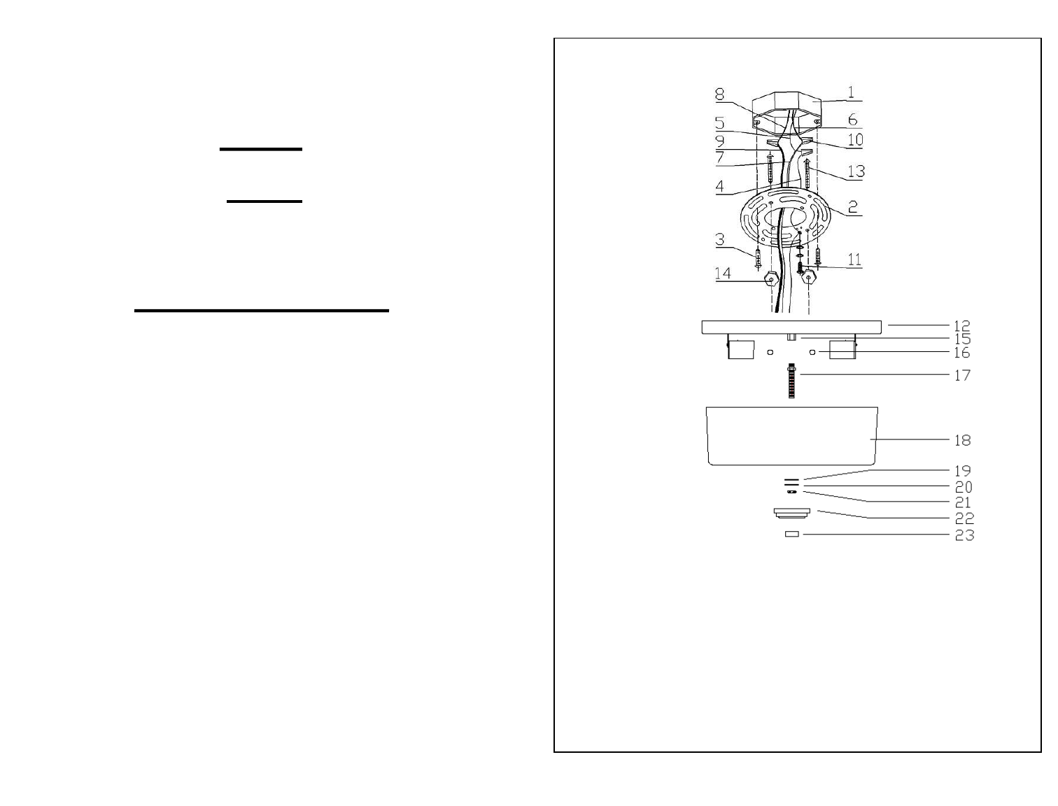
16. BALL NUT
17. CENTER STEM ASSEMBLY
18. GLASS SHADE
19. RUBBER WASHER
20. METAL WASHER
21. HEX NUT
22. BOTTOM FONT
23. FINIAL
ASSEMBLY AND INSTALLATION
1. At the center of the BACK PLATE(2) there are eight perforated slots. Knock out the set matches your
OUTLET BOX (1).
2. Screw the FIXTURE MOUNTING SCREWS (13) into the BACK PLATE (2) and thread the HEX NUTS
(14) onto the FIXTURE MOUNTING SCREWS (13), as shown. Secure the position of the FIXTURE
MOUNTING SCREWS (13) by tightening the HEX NUTS (14) against the BACK PLATE (2).
3. Carefully pass the power supply (6&8) wires and the SUPPLY GROUND WIRE (5) through the center hole of
the BACK PLATE (2). Secure the BACK PLATE (2) to the OUTLET BOX (1) with MOUNTING
SCREWS (3). Pull the ARMS so they are evenly spaced.
4. Attach the BLACK SUPPLY WIRE (8) to the SMOOTH (or BLACK) FIXTURE LEAD WIRE (9) by using
the WIRE CONNECTOR (10). At the same manner, attach the WHITE SUPPLY WIRE (6) to the RIBBED
(or WHITE) FIXTURE LEAD WIRE (7). Loop the FIXTURE GROUND WIRE (4) around the GROUND
SCREW (11) of the BACK PLATE (2). (Note: Be sure to provide an extra 3” length of the FIXTURE
GROUND WIRE (4) for connection to the SUPPLY GROUND WIRE (5).) Tighten the GROUND SCREW
(11). Connect the remaining FIXTURE GROUND WIRE (4) to the SUPPLY GROUND WIRE (5) using a
WIRE CONNECTOR (10). Place wiring and connections inside the OUTLET BOX (1).
5. Place the FIXTURE PAN (12) onto the FIXTURE MOUNTING SCREWS (13), and secure it into place using
the BALL NUTS(16) provided.
6. Screw light bulbs into the sockets and make sure they do not exceed the maximum wattage specified on the
fixture’s wattage rating label.
7. Thread the CENTER STEM ASSEMBLY(17) onto the COUPING(15). Slide the GLASS
SHADE(18), RUBBER WASHER(19), METAL WASHER(20), over the CENTER STEM ASSEMBLY(17)
in place, secure with HEX NUT(21).
8. Slide the BOTTOM FONT(22) over the CENTER STEM ASSEMBLY(17), secure with the FINIAL(23).
INSTALLATION IS NOW COMPLETED
1. OUTLET BOX
2. BACK PLATE
3. MOUNTING SCREW
4. FIXTURE GROUND WIRE
5. SUPPLY GROUND WIRE
6. WHITE SUPPLY WIRE
7. RIBBED (OR WHITE) FIXTURE
LEAD WIRE
8. BLACK SUPPLY WIRE
9. SMOOTH (OR BLACK)
FIXTURE LEAD WIRE
10. WIRE CONNECTOR
11.GROUND SCREW
12. FIXTURE PAN
13. FIXTURE MOUNTING
SCREW
14. HEX NUT
15. COUPING
FIG