Installation Guide and User & Care Guide
Manuals
Brands
Zephyr Manuals
54"
ALUE63AWX Zephyr 63" Lux Designer Collection In- Ceiling Hood with Tri Level Lighting and CleanAir Function - White
41
42
43
44
45
46
47
48
49
50
- 43 -
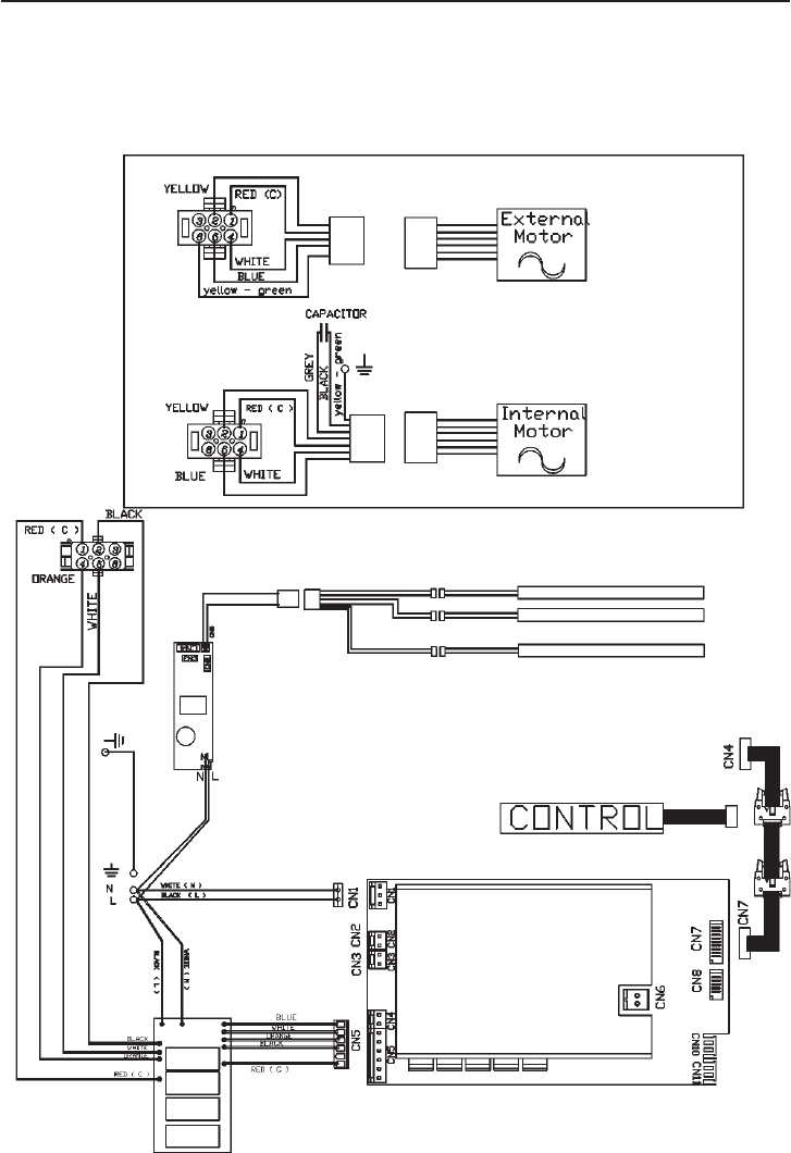
SCHEMA ELECTRIQUE
ALU-E43
1
...
...
41
42
43
44
45
...
...
68