Use and Care Manual

23
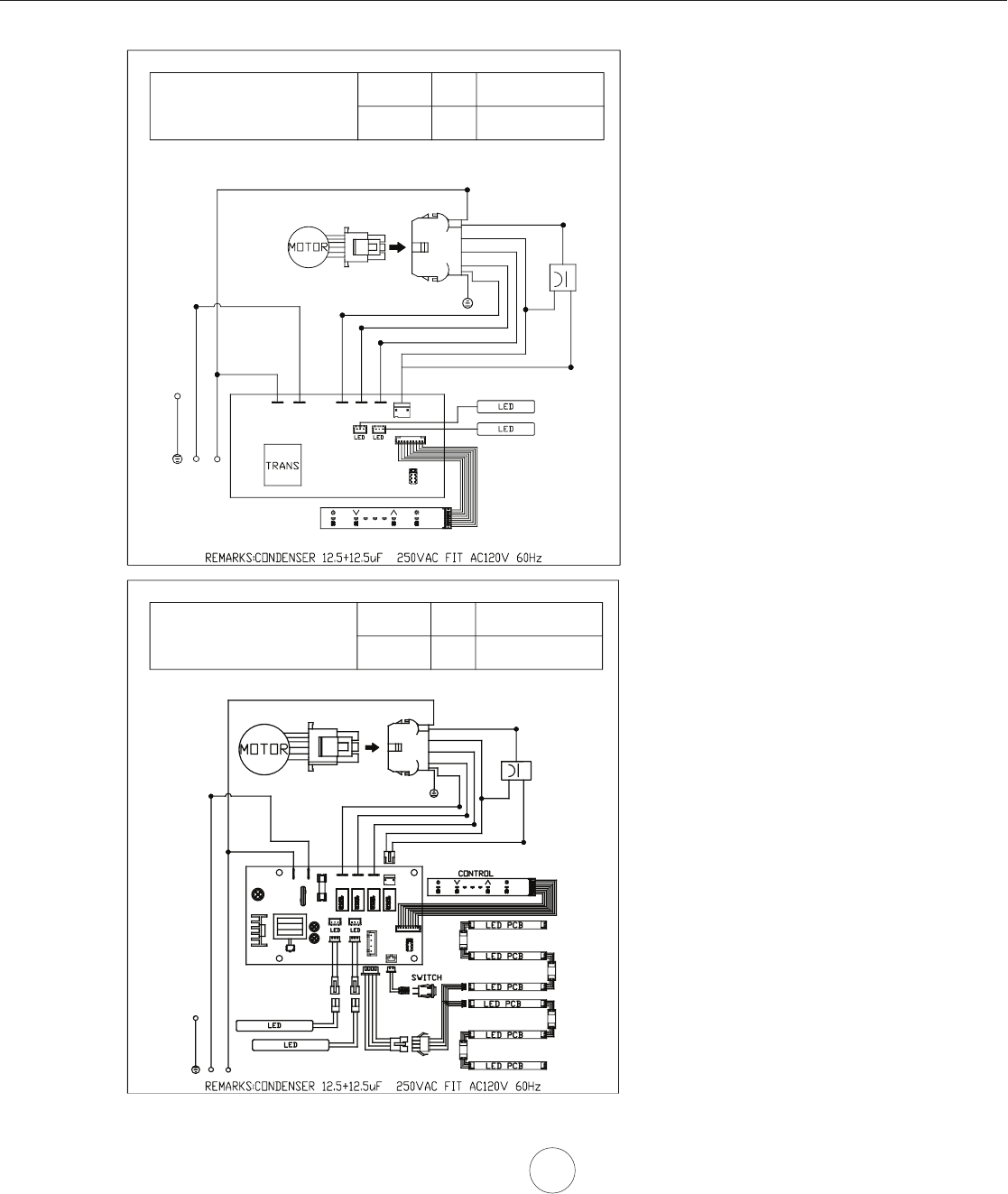
Schéma De Câblage
ZAZ, ZRM, ZRE
VOLTS HZ MAX. AMPS
120 60 4
Schéma De Câblage
BLANC
ROUGE
JAUNE
GRIS
BRUN
BLEU
ROUGE
JAUNE
JAUNE
VERTE
CORPS
BLEU
BRUN
GRIS
JAUNE
BLANC
NOIR/BLANC
CORPS
VERTE
NOIR
BLANC
Consommation montré pour défaut de
conguration du ventilateur 600 CFM
ZLC
VOLTS HZ MAX. AMPS
120 60 4
5A 250VA C
A C 1 20V
ZLC -E42B X-P
Schéma De Câblage
ROUGE
JAUNE
GRIS
BRUN
BLEU
ROUGE
BLANC
VERTE
CORPS
JAUNE
JAUNE
JAUNE
JAUNE
BLEU
BRUN
NOIR
NOIR/BLANC
BLANC
CORPS
VERTE
NOIR
BLANC
ACT 390 CFM - Ventilateur Max. @ 2.3A
ACT 290 CFM - Ventilateur Max. @ 1.9A
ACT 390 CFM - Ventilateur Max. @ 2.3A
ACT 290 CFM - Ventilateur Max. @ 1.9A
Consommation montré pour défaut de
conguration du ventilateur 600 CFM