Installation Guide

Page 12 of 16 802261 - Residential HT- CO Installation Instructions - March 2016 - V3.00
POWER
CORD
USBCHILLED
OUTLET
MAINS
IN
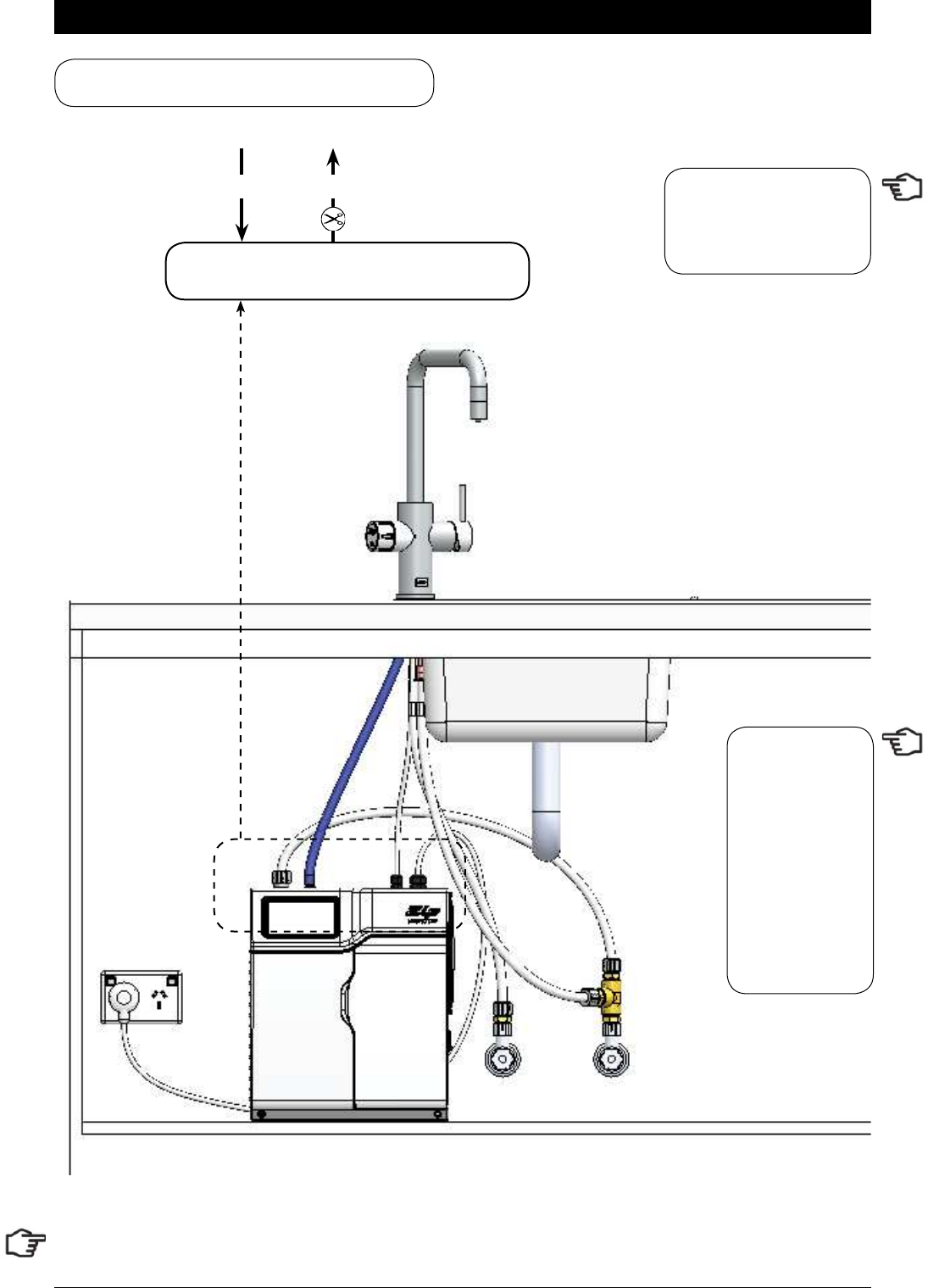
Note: All silicon
tubes must be cut to size.
They must have a constant
fall back to the unit.
BLUEBRAIDED
Note:
- Mains hose
length is 750mm
- Plug and Cord
length is 1800mm
Position the under
sink unit close
to the outlet tap,
within reach of
the hose and cord
lengths supplied
Note: The tube lengths are matched to the pumps performance and therefore CANNOT be lengthened
Installation
3.3 - Celsius - CHA
H C